Warning: Undefined array key 9 in /var/www/stekljannyj.ru/data/www/stekljannyj.ru/wp-content/plugins/fotorama/fotorama.php on line 73
Warning: Undefined array key 9 in /var/www/stekljannyj.ru/data/www/stekljannyj.ru/wp-content/plugins/fotorama/fotorama.php on line 74
Монтаж электропроводки в деревянном доме своими руками: внутренние работы
Монтаж эл проводки в деревянном доме может иметь некоторые различия в технологии укладки кабеля, а также в расходных материалах независимо от выбранного типа. Скрытую проводку прокладывают обычно при более эстетичной отделке стен, размещая их в специальных коробах из металла или негорючего пластика непосредственно между основанием стены и обшивкой (могут монтироваться в утеплитель). Такой вариант идеально подходит при капитальном ремонте деревянного дома или сразу после его постройки.
Распределительный щит для эл проводки в деревянном доме
Скрытая электропроводка в деревянном доме укладывается в огнеупорные короба. Если они монтируются на дерево или легкоплавкие изоляционные материалы, то перед этим места укладки должны быть тщательно обработаны огнезащитой.
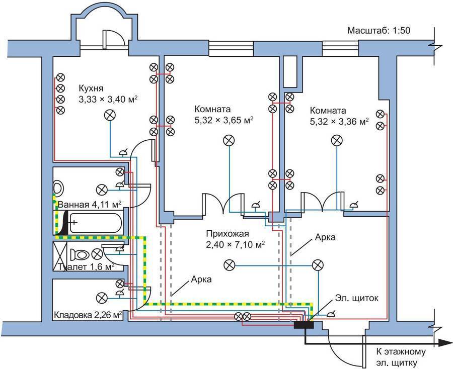
Схема электропроводки в деревянном доме
В качестве кабель-каналов особенно предпочтительны медные трубы или алюминиевые, так как они дешевле. Их предпочитают, так как они легко гнутся на «холодную» и не передают тепло при нагреве кабеля. Стальные же часто выбирают из-за более низкой стоимости, но при значительных поворотных радиусах их приходится нагревать газовыми горелками или паяльными лампами.
Скрытая проводка в деревянном доме: разработка проекта и определение трассы
Проект разводки электропроводки в частном доме
Начиная работы, важно составлять подробный монтажный проект разводки проводов, согласно которой выполняется нанесение трассы линий проводов и установка точек расположения разветвительных и соединительных коробок, выключателей и розеток, а также элементов электросети. Что касается самой трассы, то желательно, чтобы она имела как можно меньше загибов и наклонных линий (в идеале, все линии должны быть параллельны между собой и относительно стен/пола комнаты), но если это невозможно, то следует предусмотреть соединительные коробки для нескольких линий проводки
Они, как правило, размещаются в максимально доступных местах для обслуживания, а не в перекрытиях или перестенках
Что касается самой трассы, то желательно, чтобы она имела как можно меньше загибов и наклонных линий (в идеале, все линии должны быть параллельны между собой и относительно стен/пола комнаты), но если это невозможно, то следует предусмотреть соединительные коробки для нескольких линий проводки. Они, как правило, размещаются в максимально доступных местах для обслуживания, а не в перекрытиях или перестенках.
После распланировки монтажной трассы можно подготавливать стены, а именно сверлить отверстия для коробов и металлических патрубков или штробить, в зависимости от выбранного типа установки.
Электрика в деревянном доме своими руками: как правильно выбрать короба и трубки
Размер трубок зависит от диаметра выбранного кабеля, а также от количества линий проводки (в одну трубку не рекомендуется укладка более двух линий). Необходимо чтобы электропровода протягивались в них легко, не занимая при этом более 40% их внутренней площади. Толщина металла также имеет значение, чтобы предотвратить их прогорание при коротком замыкании.
Кабель-каналы на мансарде частного деревянного дома
К примеру:
- при выборе проводов из меди (сечением ≤ 2,5 кв.мм) и из алюминия (≤ 4 кв.мм) толщина не нормирована;
- для кабелей с диаметром ≤ 6 кв.мм – толщина должна быть не менее 2,5 миллиметров;
- минимум 2,8 мм допускается для труб из алюминия и меди с сечением ≤ 10 и 4 кв.мм соответственно;
- 3,2 миллиметра – для проводов диаметром ≤ 25 и 10 кв.мм.
Основные правила при выполнении работ
Подготовив поверхности, можно приступать к прокладке коробов и размещению подрозетников и выключателей. Для этого в поверхностях просверливаются гнезда нужного размера и заводятся трубы, к которым и будут крепиться монтажные коробки.
Распредкоробка: подготовка к распкайке
В том случае, когда используется медный кабель, после заведения важно развальцевать концы и припаять к самой коробке, а края стальных можно прикрепить сваркой. Распаечные коробки устанавливаются таким же способом, главное, чтобы все соединения имели надежную антикоррозийную защиту, а все элементы общей конструкции заземлены без разрывов в цепи
Для электропроводки обычно используются трехжильные или пятижильные провода, оснащенные заземляющими проводниками. На концах труб устанавливают особые втулки, защищающие изоляцию от возможных повреждений.
Далее можно приступить к присоединению жил кабеля к электрооборудованию. При подсоединении электророзеток и выключателей нельзя допустить повреждения изоляции элементами крепежа.
Настенный монтаж провода в кабель-канале
Возможно с помощью кабель-каналов смонтировать электропроводку в деревянном доме своими руками. Пошаговая инструкция укладки провода в кабель-канале:
- производят разметку линии прохода провода, согласно имеющейся схеме;
- сечение кабель-канала зависит от количества размещаемых в нем проводов;
- снимают крышку короба и крепят его саморезами к стене или потолку. Саморезы располагают с интервалом в полметра. Места поворотов дополнительно укрепляют саморезами;
- в установленных местах монтируют распределительные коробки;
- необходимые провода укладывают в кабель-каналы и защелкивают крышкой. В местах подключения розеток и выключателей оставляют запас провода для их подсоединения;
- соединяют все провода в распределительных коробках, соединяют с зажимами автоматов, выключателей и розеток.
Схема обустройства открытой электропроводки по кабель-каналам.
Этапы монтажа можно увидеть на различных фото электропроводки в деревянном доме.
Сечение жил кабеля
Когда вы выберите материал для кабеля, можно рассчитать нужный диаметр его жил. Делают это с учетом будущей нагрузки, которую просчитывают по специальной таблице.
Расчет жил кабеля
Выбирают сечение жил по мощности, или потребляемому всеми приборами току, подключенными к одному автомату. Тут еще раз понадобится план электрификации здания, в котором показаны все группы потребителей. Рассчитывается сумма мощности установленных приборов, и по данным указанным в таблице выбирается подходящее сечение жил провода.
- Пользоваться таблицей несложно, если использую провода из меди, и подводится напряжение 220 В, то для укладки проводки внутри помещения используют левую сторону таблицы и подходящий столбик.
- Сравнивать необходимо общую мощность всех подключенных приборов (ее рассчитать легче). Где указан медный провод, укладываемый в каналы, лотки или пустоты, в столбике «220 В» выбирают большее значение.
- Перемещаясь вправо по этой строчке, до строчки «Сечение, кв. мм», находят необходимый диаметр жил. Из кабелей такого диаметра, и создают линию от автомата до потребителей электроэнергии.
- Чтобы не путаться, жилы одинаковой толщины на плане отмечайте своим цветом (чтобы потом не забыть, отдельно отметьте, что указано под каким цветом).
- Когда будет найден диаметр для всех кабелей, просчитывают для всех кабелей по каждому диаметру общую длину, и к этому добавить для страховки 20-25%. После этого считается, что вы просчитали кабеля для укладки в здании.
Как сделать парник своими руками: для рассады, огурцов, помидоров, перцев и др. растений. Из поликарбоната, оконных рам, пластиковых труб (75 Фото & Видео) +Отзывы
Срок службы электропроводки
Чтобы понимать, когда пора менять проводку электричества в доме, или знать, на сколько лет хватит проделанной работы по замене, необходимо выяснить срок ее службы. Современные кабеля и соединительные системы гораздо более качественные, чем были несколько десятилетий назад. Поэтому служить они будут дольше. Но всему приходит свой срок, и даже хорошая проводка рано или поздно потребует замены.
Использование УЗО, распределительных и соединительных коробок, клемм и других защитных элементов помогает продлить срок эксплуатации электропроводки дома.
Общепринятая градация включает три разных вида длительности функционирования электропроводки: номинальный, гарантийный и фактический срок службы. Между ними существует разница:
- Номинальный – это период, при котором должны соблюдаться факторы работоспособности системы. Например, медный кабель может исправно функционировать на протяжении 30 лет, если напряжение не превышает 0,66 кВ, а температура в пределах от -50 до +50 градусов.
- Гарантийный срок службы – это тот период, в течение которого производитель (или продавец) готов нести ответственность за этот кабель. Например, если за 5 лет эксплуатации в оговоренных условиях с проводом что-то произойдет, его починят или заменят бесплатно.
- Фактический срок – это время работы системы, которое зависит только от пользователя. Он может быть меньше или больше номинального, в зависимости от того, в каких условиях функционирует электропроводка.
№6. Прокладка кабеля по комнатам
Сечение кабелей проводки зависит от того, какая нагрузка на них будет возлагаться. Это предмет серьезных расчетов, но пользоваться можно и таблицами, в которых уже просчитано сечение проводов в зависимости от тока, мощности и напряжения.
Открытая проводка в кабель-каналах
Перед началом работ лучше всего разметить места будущего расположения розеток и выключателей. Лучше всего по безопасности и эстетике в деревянном доме монтировать открытую проводку в кабель-каналах. Они выполняются из самозатухающего пластика, представляют собой короб с защелкой, размер и цвет могут отличаться. Процесс прокладки проводки в этом случае таков:
- выбирают кабель-канал, который соответствует количеству проводов и их сечению;
- снимают крышку и крепят коробку канала к поверхности на саморезы;
- в местах соединения кабелей ставят распределительные коробки;
- основание розеток и выключателей (используются только те, что предназначены для внешней проводки), крепят на назначенные места;
- кабель укладывают в канал, закрывают крышкой;
- концы кабелей соединят в распределительных коробках. Подключают кабель к розеткам, выключателям и автоматам.
https://www.youtube.com/watch?v=eJSBBRaCJH0Video can’t be loaded because JavaScript is disabled: Электропроводка в деревянном доме своими руками. (https://www.youtube.com/watch?v=eJSBBRaCJH0)
Внутренняя проводка в металлической трубе
Если вы решились монтировать скрытую проводку в деревянном доме, то порядок действий будет таким:
- подготовка штроб и установка открытых распределительных коробок, они должны быть в свободном доступе даже после обшивки стен;
- проход проводки через стены делают с помощью с металлических труб, которые называют проходными гильзами. В стене сначала готовят отверстие необходимого диаметра, потом ставят гильзу, по краям она должна иметь пластиковую втулку. Специальные металлические гильзы ставят под розетки и выключатели;
- диаметр трубы выбирают такой, чтобы после заводки всех кабелей, в ней оставалось 60% свободного места. Предпочтение отдается медным трубам, которые хорошо гнутся и легко режутся. Концы труб после резки хорошо шлифуют или же снабжают их пластиковыми ободками. К деревянной поверхности трубы крепят хомутами, к металлическим гильзам – благодаря развальцовке трубы внутри гильзы;
- протягивают кабель сквозь трубу и проверяют изоляцию;
- соединение кабелей в распределительных коробках и подключение к розеткам, выключателям.
Соединение проводов
В распределительных коробках провода могут соединяться одним из следующих способов:
- соединение сизами. Это специальные изолирующие колпачки, которые позволяют соединить два предварительно зачищенных на 2-3 см и скрученных между собой провода. Колпачки очень просто одеваются и стоят недорого;
- соединение вагами не менее простое, но более надежное. Подбирается вага с соответствующим количеством отверстий для проводов, в них кабели вставляются до щелчка;
- опрессовка гильзами – один из самых современных методов, но понадобится специальное оборудование;
- дедовский способ скрутки с последующей изоляцией изолентой в деревянном доме лучше не использовать.
Остается только установить розетки и выключатели. Для деревянного дома лучше всего подойдет фурнитура, выполненная под дерево, но это не обязательно. Далее следуют работы по подключению всех групп проводов к щитку, установка счетчика, УЗО и автоматов.
Также понадобится выполнить заземление. Для этого около дома копают яму в форме равностороннего треугольника со стороной 1 м. Глубина не менее 30 см. В вершины треугольника вбивают металлический уголок или штырь длиной 3 м, между собой их соединяют уголком длиной 1 м, используя сварку. В одном из уголков делают отверстие и крепят в нем заземляющий проводник с помощью болта и гайки, его выводят в распределительный щиток и подсоединяют к заземляющей шине, к ней же подсоединяют заземляющие жилы кабелей.
После завершения всех монтажных работ вызывают специалистов электролаборатории, которые проводят все необходимые испытания и выдают протокол, подтверждающий правильность выполнения проводки и ее безопасность. Схему проводки рекомендуют наклеить на внутреннюю поверхность дверцы щитка – так будет намного удобнее сориентироваться в случае возникновения аварии.
Выполнять все работы по монтажу электропроводки в деревянном доме необходимо только при наличии соответствующих знаний и опыта. При малейших сомнениях лучше звать специалистов – от качества и правильности выполнения всех этапов работ зависит безопасность дома и его жильцов.
Статья написана для сайта remstroiblog.ru.
Штробление стен
После изготовления ниш для розеток и выключателей, начинается штробление под трассы кабельных линий. Делать нужно именно в такой последовательности.
Иначе, если вы сначала проштробите, а потом попытаетесь сделать ниши, центровой бур у вас будет уводить в штробу.
Резку штроб легче всего осуществить по лазерному уровню. Иногда привлекают для этой работы несколько лазеров одновременно.
Например, если у вас к блоку подрозетников должны спускаться две штробы — одна силовая, другая слаботочная, то быстрее будет выставить два лазерных уровня и не спускаясь со стремянки, пропилить сверху-вниз сразу обе параллельные прямые.
Когда готовы все ниши и штробы, делается уборка помещений и устанавливаются все подрозетники.
Далее идет пристрелка клипс для гофр на потолке. Делать это легче и быстрее всего при помощи монтажного пистолета.
Если его нет, то обычным перфоратором просверливают отверстия d-6мм и клипсы сажаются на дюбель гвозди.
Можно ли прокладывать трассы кабельных линий без гофры и чем это все может закончиться, читайте в отдельной статье.
Применять нужно только гофру ПВХ серого цвета. Она в отличие от остальных разноцветных видов не поддерживает горение. Ее класс горючести – А1.
Помимо негорючести, гофра защищает кабель от механических повреждений. На нее можно наступить, слегка ударить молотком, зацепить острой кромкой профиля.
Саму оболочку вы конечно повредите, зато кабелю при этом ничего не будет. Ну и кроме всего прочего, монтаж в гофрорукаве выглядит более эстетичным.
В гофре кабель с одинаковым успехом прокладывается как по стене, так по полу и потолку. Правда во всех случаях есть ряд существенных отличий.
Правила разбивки
Правильным разделением электропроводки в доме и квартире на сегодняшний день является проведение для каждой комнаты отдельной линии для розеток, отдельной для освещения.

К тому же отдельной линией проводят кабель к мощным потребителям. Чтобы наглядно разобраться и понять, что такое разделение электрики на группы, рассмотрим графические изображения. Представлена электрическая план-схема:

В данной схеме трехфазный ввод в дом распределен по группам электропотребителей. В качестве вводного кабеля, от счетчика, используется ВВГнг 5*10, пять жил сечением 10 квадратных мм. Для защиты ввода в щит установлен автоматический выключатель ВА 40 А.
Первая группа (подключена от фазы L1) — это освещение, устанавливается автомат 10 А, провод на на них ВВГнг 3*1.5 мм. Вторая — это потребители санузла и ванной, установлено устройство защитного отключения, УЗО 10А-10mA. Вообще можно до 30 мА, но не более (глава 7.1. ПУЭ п. 7.1.82). Связанно это с высокой влажностью и большой вероятностью электротравматизма при эксплуатации электроприборов. В качестве силового провода задействован ВВГнг 3*2.5 мм, который также запитан от первой фазы L1. Третья — розетки комнат. Для их защиты установлен автомат на 16 А, а питание подходит с фазы L2. Делается это для равномерной нагрузки на трехфазную сеть. Провод для третьей ветки электропроводки также берут ВВГнг 3*2.5 мм. Розетки для четвертой группы (кухня и коридор) запитаны от фазы L3. Автоматический выключатель на 16 А защищает провод ВВГнг 3*2.5 мм. Пятая ветка — питание электроплиты, задействованы три фазы, ноль и заземление. Для подключения используют провод ВВГнг 5*6 мм (согласно СП 256.1325800.2016 п.10.2), для защиты установлено УЗО 32 А — 30 mA.
Данная схема разделения проводки на группы приведена в качестве примера, для помощи домашним мастерам разобраться и на примере помочь научится читать схемы, а также составлять их, исходя из собственных наработок. В качестве недорогого и простого решения разбивки электропроводки для хрущевки, можно использовать схему приведенную ниже, с распределенной нагрузкой на потребителей.

Также добавлено визуальное изображение, план-схема проводки на плане квартиры. При вновь проложенной электропроводке необходимо составлять подобную схему распределения, для того чтобы в дальнейшем облегчить поиск неисправности или же модернизацию проводки, добавление точек потребителей.

Чтобы закрепить прочитанный материал, предлагаем вам ознакомиться с видео уроками, на которых доходчиво и наглядно демонстрируется, как разделить проводку в квартире или доме на линии:
Вот собственно и все, что мы хотели рассказать вам о правильном разделении электропроводки на группы. Надеемся, предоставленные примеры помогли вам понять, зачем нужна разбивка электрики и как ее правильно осуществить!
Будет интересно прочитать:
Цивилизованная жизнь невозможна без большого количества электроприборов. Кроме лампочек «Ильича» в современных домах и квартирах используются кондиционеры, стиральные и посудомоечные машины, бойлера, компьютеры и другие электроустановки. Суммарная мощность этой аппаратуры постоянно растёт, что повышает требования к электропроводке.
При прокладке электропроводки потребителей желательно разделить на группы. Это позволяет уменьшить сечение кабелей, упростить монтаж и выбрать защитную аппаратуру (автоматы, УЗО), соответствующую типу и мощности нагрузки.
В этой статье рассказывается о том, как разделить электропроводку на группы и правильно выбрать автоматические выключатели.
Нарисовать самому или заказать у подрядчика?
Если в электрике вы не сильны и никогда не монтировали проводку, тогда тут однозначно придется нанимать специалистов. Однако, если понимаете, как подобрать сечение проводки, автоматы, УЗО, умеете делать разводку в распаечных коробках и подключать розетки, тогда составить чертеж не составит особого труда (говорим из собственного опыта).
Вот пара случаев, когда лучше нанять проектировщика:
- К дому или квартире подходят три фазы. Если вы не знаете, как развести три фазы по дому, где поставить автоматы, как сделать проходные выключатели — лучше воспользоваться услугами специалиста. От вас лишь потребуется расписать (начертить), где вы хотите видеть розетки и какое электрооборудование собираетесь использовать (например, для варочной панели может потребоваться вести отдельную фазу проводом сечением 4 мм2 или больше).
- У вас три комнаты или больше. Для многокомнатных квартир и домов придется просчитать сотни метров проводки, проставить десятки розеток и распаечных коробок. Сделать такой проект будет несколько сложнее, чем для однокомнатных квартир (хотя принцип тот же), поэтому лучше привлечь специалиста со стороны.
В дополнение к плану можно сделать фотографии штроб — особенно, если они проходят в нарушение правил. Это пригодится на случай сверления стен после чистовой отделки.
Как мы уже писали выше, некоторые организации не берут денег за составление проекта, если заключен договор на монтаж электропроводки. Поэтому если ваша квартира в новостройке еще не электрифицирована, и вам все равно придется нанимать электриков, можно убить двух зайцев, немного сэкономив.
Важно знать для работы с проводкой:
- Как вести проводку: пол полу или потолку?
- Как сверлить стену, чтобы не попасть в проводку?
Полезные советы
- Что касается схемы разводки, то оптимальный вариант – разбить ее по комнатам. То есть, каждая комната – это отдельный участок со своей нагрузкой, а, значит, со своим сечением кабеля. Имеется в виду кабель от первой распределительной коробки над входной дверью в квартиру, до распредкоробки над дверью в комнату. Внутри же комнаты по светильникам и розеткам разбрасываются провода с меньшим сечением, подходящим под определенные нагрузки, запланированные вами предварительно, исходя из количества и общей мощности приборов-потребителей.
- Схему разводки, а также монтажные работы, необходимо начинать от дальней комнаты. Последняя комната – прихожая.
- Необходимо обходить схемой бетонные конструкции типа перекрытия над окнами и дверьми. Во-первых, это монолитное изделие, которое штробить очень сложно. Во-вторых, не дай бог при установке карнизов наткнуться сверлом на кабель. Вся работа пойдет насмарку.
- Правильный подсчет количества распределительных коробок даст возможность сэкономить длину используемого кабеля.
- Оптимальный вариант, если уложить кабель в гофрированный шланг, а уже его в штробы.
Электропроводка своими руками: с чего начать?
Если в доме необходимо провести электропроводу, надо строго придерживаться следующих правил, положений и предписаний:
- Нужно обеспечить свободный доступ к распределительным коробкам, а также к оборудованию электроучета.
- Розетки и выключатели следует монтировать на уровне 0,-1,5 м от пола. И эти элементы также должны находиться в свободном доступе.
- Открытые двери не должны преграждать доступ к оборудованию, указанному в п 1,2.
- Количество розеток в жилом помещении считается из расчета 1 на 6 кв м.
- На кухне розетки ставят по числу бытовых приборов.
- Для электропитания ванной комнаты следует предусмотреть отдельный трансформатор, понижающий напряжение. А установить его необходимо за пределами данного помещения.
- Кабель нужно класть, четко соблюдая вертикаль/горизонталь, без всяких провисов и прогибов, а также направлений по диагонали. В противном случае велика вероятность его повреждения при монтажных работах и выполнении перфорации.
- Горизонтальные кабели кладутся на расстоянии:
- от перекрытий и карнизов — 5-10 см,
- от пола и потолков — 15 см.
- Вертикальные кабели кладутся на расстоянии:
- от оконных и дверных проемов — 10 см, не меньше;
- от газовых труб — 40 см, не меньше.
- Для разводки и соединения кабелей применяются специальные короба.
- Любое проводящее электричество соединение должно быть надежно заизолировано.
- Соединять алюминиевые провода с медными ЗАПРЕЩЕНО!
Выбор типа
Частный дом может быть оснащен однофазным или трехфазным напряжением. Первый вариант предполагает напряжение в 220 Ватт, в соответствии с установленными нормами может быть предоставлено максимум от 10 до 15 килоВатт. Второй вариант предполагает, что к дому подводится напряжение в 380 Ватт. А максимально для этого варианта предоставляется 15 килоВатт.
Трехфазное соединение используют, если предполагается подключение оборудования с большой мощностью, например, электрических плит, отопительных котлов или духовок. В то же время, подключение трехфазного подвода предполагает соблюдение более высоких требований, поскольку травмоопасность будет более высокой.
В связи с этим, если в доме отопление не будет электрическим, то устанавливать три фазы не обязательно. Такого подхода следует придерживаться и при установлении электропроводки в гараже. Если оборудование не требует высокого напряжения, то и трехфазную сеть подключать не нужно.
После определения с необходимыми электроприборами, следует рассчитать, какое напряжение они потребуют. После определяются группы потребления, в соответствии с чем к разным комнатам будут подводиться разное количество линий.
После описанных манипуляций, стоит определиться с расположением щитка, которое регулируется только в части расположения на относительном состоянии от системы трубопровода. Затем устанавливается автомат и электричество подается в дом.
Если проводка была сделана самостоятельно, то нужно обратиться к специалистам, чтобы была проверена безопасность соединения. Некоторые отличия будет иметь электропроводка в квартире, что обязательно нужно учитывать.
Процесс укладки кабеля и монтажа системы
Завершающим подготовительным этапом является разметка. Разметочные работы представляют собой нанесение на стены, потолок, пол линий прокладки кабелей, а также места расположения всех элементов. Выполняются при помощи мела. Чтобы сделать ровные линии, нужно использовать рулетку и уровень. Эта процедура также поможет проверить свои расчеты по закупке кабеля или расходных материалов.
Разметка стен и потолков во многом упростит дальнейшую прокладку электропроводки.
После этого можно приступать к самой процедуре монтажа электросистемы. Она состоит из нескольких этапов:
Штробление стен. Болгаркой и перфоратором прокладываются канавки для кабеля и вырезаются места под розетки, выключатели, распределительные коробки. Выключатели располагают на высоте 90-140 см от пола. Розетки – по желанию или в зависимости от расположения приборов, которые будут к ним подключаться.
Установка распределительных коробок и подрозетников. Эти элементы вставляются в круглые отверстия, Для закрепления используется асбест или саморезы.
Прокладка линии. В сделанные канавки укладывается кабель, который сразу рекомендуется фиксировать раствором с шагом 40-50 см. После этого можно будет полностью закрыть шов с кабелем. Он высохнет за сутки. Затем его можно будет затереть и выровнять с общей поверхностью стены.
Подключение розеток и выключателей. Монтаж осветительных приборов
Важно изолировать все провода и убедиться в безопасности каждого элемента системы. После этого стоит их закрыть крышками или кусочками картона, приклеенного скотчем – до окончания всех отделочных работ
Когда ремонт будет завершен, можно будет установить сами розетки и выключатели.
В зависимости от размеров дома монтаж электропроводки может занять от нескольких часов до нескольких дней. Тщательное выполнение всех требований и мер безопасности – гарантия длительной и спокойной эксплуатации на протяжении нескольких десятилетий.




































