Напольный или настенный?
Ошибка №17
Однозначного ответа что лучше, здесь не существует.
На просторах нашей страны до сих пор считается, что напольный в «одни ворота» выигрывает у настенного.
При этом в Европе их давно признали низкоэнергоэффективными устройствами и практически запретили во всех жилых домах.
То ли еще будет
Но вернемся в родные пенаты. Вот на что вы должны ориентироваться в первую очередь.
хорошие напольные котлы очень дорогие
При этом дешевый напольный котел будет проигрывать в производительности качественному настенному.
они более надежны и долговечны (особенно чугунные)
у них простая автоматика + есть энергонезависимые модели
напольные берут для реально больших домов
Настенные покупают:
в первую очередь для экономии пространства в доме и только затем для экономии семейного бюджета
из-за умной электроники
Один раз грамотно все настроил и неделями не подходишь к прибору.
Первый запуск
Первый запуск настенного газового котла должен производить сертифицированный специалист. Он произведет все необходимые настройки и проверит работу системы (подробнее: «Как запустить газовый котел впервые»).
В процессе выполнения пуско-наладочных мероприятий имеется возможность задать интересующие вопросы профессионалу по использованию отопительного газового оборудования.
После завершения работы по вводу в эксплуатацию подписывается акт.
Примеры монтажа настенного газового котла отопления на видео:

Газ на сегодняшний день является оптимальным по стоимости ресурсом для отопления частного дома. Если рядом с домом проходит газовая магистраль – считайте, что других более дешевых вариантов вы не найдете. Большинство владельцев частных домов преследуют одну цель – добиться максимального положительного эффекта от системы, затратив на её монтаж и эксплуатацию минимум средств и усилий. Как осуществить газовое отопление частного дома своими руками?
Расчет по номинальной мощности бойлера
Как рассчитываются котлы для горячего водоснабжения с бойлерами косвенного нагрева значительного объема и большим расходом воды из системы ГВС?
Расчетная мощность равна сумме двух слагаемых:
- Потребности дома в тепле без учета коэффициента запаса;
- Номинальной мощности бойлера. В среднем она равна 15 киловаттам на 100 литров объема.
Косвенник Gorenje GV 100 (17400 ватт)
Нюанс: из результата сложения вычитается 20%, поскольку теплообменник котла не будет круглосуточно обеспечивать теплом отопление и ГВС.
Так, при установке пресловутого Gorenje GV 100 в наш дом в Севастополе, мощность котла на водоснабжение и отопление составит 10 (потребность в тепле отопления +17,4 потребность в тепле бойлера))*0,8=22. Цифра дана с округлением до целого значения киловатта.
Можно ли установить в контур ГВС с бойлером косвенного нагрева котел с производительностью больше расчетной?
Можно, но невыгодно в силу двух причин:
Цена самого котла быстро растет по мере увеличения номинальной мощности;
Вслед за производительностью котла растет и число на ценнике
Классические твердотопливные котлы при работе с теплоотдачей ниже номинальной снижают КПД за счет неполного сгорания топлива. Понижение тепловыделения достигается в них самым простым способом — ограничением подачи воздуха заслонкой.
Изменение КПД твердотопливного котла при изменении теплоотдачи
Положительные и отрицательные качества
Этот вид оборудования является оптимальным при наличии доступа к сжиженному или магистральному газу.
Преимущества газового котла
- Экономичность.
- Надежность.
- Автономность.
- Долговечность.
- Простота в эксплуатации.
- Высокая производительность.
- Возможность размещения в не больших помещениях.
Недостатки газового котла
- Соответствие помещения техническим требованиям.
- Необходимость получения специальных документов, разрешающих установку.
- Монтаж, подключение и обслуживание выполняются специалистами.
- Для бесперебойного функционирования требуется постоянный доступ к топливу.
Проектирование схемы отопления
Система отопления может быть с естественной и с принудительной циркуляцией. В создании естественной системы циркуляция происходит благодаря разнице плотности горячей и холодной воды, в принудительной системе работает насос.


Важный элемент в системе – разводка отопления, которая бывает двух типов:
- однотрубная: для небольших домов с малым количеством помещений;
- двухтрубная: идеальный вариант для регулирования температуры в различных помещениях.
Однотрубная схема имеет существенный недостаток – хуже нагреваются нижние радиаторы, а также неравномерно прогреваются радиаторы двухэтажного дома. Впрочем, меньше расходуются материалы, а проблема неравномерного прогревания радиаторов решаема при помощи монтажа перемычки и увеличения числа секций радиатора. Чтобы быстрее происходила циркуляция теплоносителя, применяется циркуляционный насос. Схему с естественной циркуляцией можно реализовать, если поставить котел ниже уровня радиаторов. Для нормального естественного циркулирования нужен естественный наклон трубопроводов.
Двухтрубная система обеспечивает равномерный прогрев радиаторов, однако затраты на материалы и на монтаж будут гораздо больше. Система позволяет регулировать нагревание отдельных радиаторов. Если котел находится в подвальном помещение, оптимальным выходом будет устройство двухтрубной системы с естественной циркуляцией.
Как производить расчет мощности различных типов котлов
То, насколько эффективная отопительная система, будет в первую очередь зависеть от того, какого она типа. И, конечно же, на нее будет влиять правильность произведенных расчетов касаемо необходимой мощности отопительного котла. Если же такие расчеты покажут необъективные данные, то в скором будущем вас будут ждать неизбежные проблемы.
Если теплоотдача прибора будет меньше необходимого минимума, то в зимнее время в доме будет холодно. Если же его производительность будет излишней, то это не приведет ни к чему, кроме как к излишним затратам энергии, а следовательно, и ваших денег.
Дабы избежать подобных неприятностей, вам потребуются только знания касаемо того, как рассчитывается мощность котла. Также учтите тот факт, что существуют различные типы отопления, в зависимости от используемого топлива. Вот они:
- На твердом топливе.
- Электрические.
- На жидком топливе.
- Газовые.
При выборе той или иной системы люди зачастую основываются на особенностях конкретного региона, а также на стоимости оборудования.
Котлы на твердом топливе
Дабы рассчитать мощность котла на твердом топливе, вы должны учесть особенности, которые характерны для данного типа оборудования.
- Относительно низкая популярность.
- Потребность в дополнительном пространстве для того, чтобы хранить топливо.
- Доступность.
- Процедура эксплуатации проходит весьма экономично.
- Такие котлы могут функционировать автономно, по крайней мере, большая часть современных приборов предусматривает это.
Помимо этого, еще одним фактором, который нужно учесть, делая расчет мощности котла отопления, является то, что температура получается циклично. Иными словами, в помещении, отапливаемом такой системой, температура в течение дня может колебаться с зазором в 5 градусов.
Важно! Именно по этой причине твердотопливные котлы едва ли можно назвать наилучшими, а если есть возможность, то от их покупки лучше вообще отказаться. Но если такой возможности нет, у вас есть два способа того, как частично оградить себя от таких проблем
- Использовать теплоаккумуляторы, объем которых может достигать 10 метров кубических. Они подсоединяются к системе отопления и существенно сокращают теплопотери, что позитивно сказывается на затратах на отопление.
- Соорудить термобаллон, необходимый для контроля подачи воздуха. Благодаря ему время горения увеличивается, а количество топок, следовательно, снижается.
Благодаря всему этому необходимая вам производительность котла снижается. Также все это следует учесть при расчетах.
Электрические котлы
Все котлы, работающие на электрической энергии, отличаются следующими особенностями.
- Они компактны.
- Топливо для них – электричество – стоит дорого.
- Управлять ими крайне просто.
- При перебоях в сети возможны проблемы с их функционированием.
- Они экологически безопасны.
Собственно, это все, что вам нужно помнить при вычислении необходимой мощности для котла, работающего на электроэнергии.
Котлы на жидком топливе
А теперь поговорим о жидкотопливных котлах. В целом, они характеризуются следующими особенностями.
- Такие котлы не являются экологически безопасными.
- Для них используется весьма дорогостоящий тип топлива.
- Эксплуатация таких котлов отличается простотой и удобством.
- Еще одна особенность – повышенная пожаробезопасность.
- При их установке вы должны позаботиться о еще одном помещении, в котором в будущем будет храниться топливо.
На этом особенности жидкотопливных котлов закончились.
Газовые котлы
Последний тип котлов, о которых мы поговорим сегодня – это газовые приборы. Они в большинстве своем – наиболее оптимальный вариант при установке системы обогрева. Расчет мощности котлов отопления данного типа невозможно сделать, не учтя следующие его особенности.
- Эксплуатация таких котлов отличается простотой и удобством.
- Они экономичны.
- Они не требуют дополнительного места для того, чтобы хранить топливо.
- Стоимость самого топлива для них (газа) относительно невысокая.
- Наконец, их эксплуатация отличается повышенной безопасностью.
Все, с котлами мы более-менее разобрались, теперь порассуждаем о том, как вычислить мощность для радиаторов в отопительной системе.
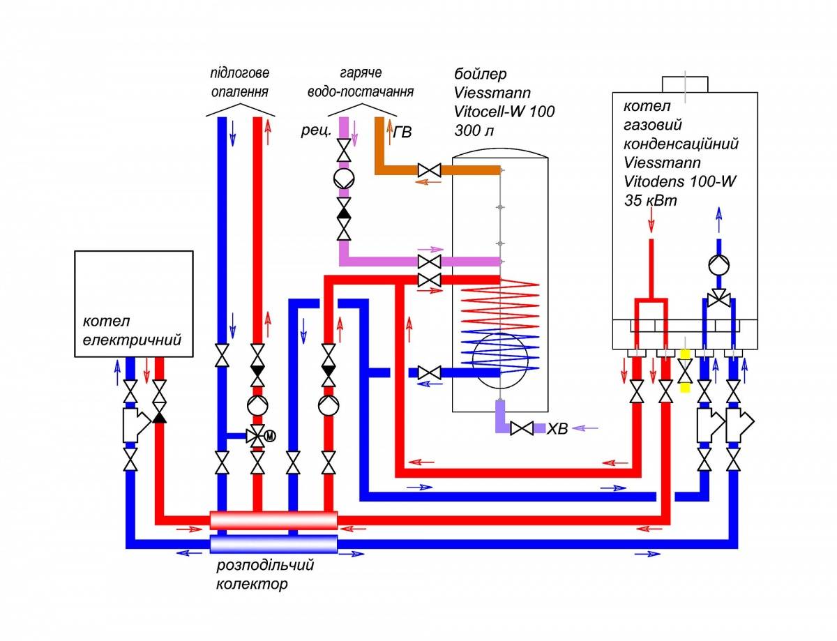
Принцип работы двухконтурного газового котла
Теперь мы приступим к разбору принципа работа газового двухконтурного котла. Назначение отдельных узлов и модулей мы выяснили, теперь эти знания помогут нам понять, как работает все это оборудование. Рассматривать принцип работы будем в двух режимах:
- В режиме обогрева;
- В режиме генерации горячей воды.
В режиме обогрева котел обеспечивает ваш дом теплом.
Сразу отметим тот факт, что работа в двух режимах сразу невозможна – для этого в двухконтурных котлах предусмотрен трехходовой клапан, направляющий часть теплоносителя в контур ГВС. Давайте рассмотрим принцип работы при обогреве, а потом узнаем, как работает техника в режиме горячего водоснабжения.
В режиме обогрева двухконтурный котел работает так же, как и самый обычный проточный нагреватель. При первом включении горелка работает довольно долго, поднимая температуру в контуре отопления до заданной отметки. Как только будет достигнут необходимый температурный режим, подача газа отключится. Если в доме установлен датчик температуры воздуха, то автоматика будет учитывать его показания.
На работу газовой горелки в двухконтурных котлах может влиять и погодозависимая автоматика, контролирующая температуру уличного воздуха.
Тепло от работающей горелки нагревает теплоноситель, который гоняется по отопительной системе в принудительном режиме. Трехходовой клапан находится в таком положении, чтобы обеспечить нормальное прохождение воды через основной теплообменник. Продукты сгорания удаляются двумя способами – самостоятельно или с помощью специального вентилятора, располагающегося в верхней части двухконтурного котла. Система ГВС при этом находится в отключенном состоянии.
Работа в режиме подачи горячей воды
Что касается контура горячего водоснабжения, то он запускается в тот момент, когда мы поворачиваем ручку водопроводного крана. Появившийся ток воды приводит к срабатыванию трехходового клапана, который отключает отопительную систему. Одновременно с этим происходит розжиг газовой горелки (если на тот момент она была отключена). Спустя несколько секунд из крана начинает течь горячая вода.
При переходе в режим подачи горячей воды, контур отопления полностью отключается.
Давайте разберем принцип работы контура ГВС. Как мы уже говорили, его включение приводит к отключению работы отопления – здесь может работать только что-то одно, или ГВС или отопительная система. Управляет всем этим трехходовой клапан
Он направляет часть горячего теплоносителя во вторичный теплообменник – обратите внимание, что никакого пламени на вторичке нет. Под действием теплоносителя теплообменник начинает греть протекающую через него воду
Схема несколько сложноватая, так как здесь задействуется малый круг циркуляции теплоносителя
Подобный принцип работы нельзя назвать самым оптимальным, зато двухконтурные газовые котлы с раздельными теплообменниками могут похвастаться нормальной ремонтопригодностью. Каковы особенности котлов с комбинированными теплообменниками?
Схема несколько сложноватая, так как здесь задействуется малый круг циркуляции теплоносителя. Подобный принцип работы нельзя назвать самым оптимальным, зато двухконтурные газовые котлы с раздельными теплообменниками могут похвастаться нормальной ремонтопригодностью. Каковы особенности котлов с комбинированными теплообменниками?
- Более простая конструкция;
- Высока вероятность образования накипи;
- Более высокий КПД у ГВС.
Как мы видим, недостатки плотно переплетаются с достоинствами, но раздельные теплообменники ценятся больше. Конструкция несколько усложняется, зато здесь отсутствует накипь
Обратите внимание, что в момент работы ГВС протекание теплоносителя по отопительному контуру останавливается. То есть, его длительная работа способна нарушить тепловой баланс в помещениях
Как только мы закрываем кран, происходит срабатывание трехходового клапана, и двухконтурный котел переходит в режим ожидания (или сразу же включается подогрев чуть остывшего теплоносителя)
В таком режиме оборудование будет находиться до тех пор, пока мы снова не откроем кран. Производительность некоторых моделей достигает до 15-17 л/мин, что зависит от мощности используемых котлов
Как только мы закрываем кран, происходит срабатывание трехходового клапана, и двухконтурный котел переходит в режим ожидания (или сразу же включается подогрев чуть остывшего теплоносителя). В таком режиме оборудование будет находиться до тех пор, пока мы снова не откроем кран. Производительность некоторых моделей достигает до 15-17 л/мин, что зависит от мощности используемых котлов.
Расчет мощности котла отопления по площади
Для приблизительной оценки требуемой производительности теплового агрегата достаточно площади помещений. В самом простом варианте для средней полосы России считают, что 1кВт мощности может обогреть 10м 2 площади. Если у вас дом площадью 160м2, мощность котла для его обогрева — 16кВт.
Эти расчеты приблизительны, ведь не учитывается ни высота потолков, ни климат. Для этого существуют выведенные опытным путем коэффициенты, при помощи которых вносятся соответствующие корректировки.
Указанная норма — 1кВт на 10м 2 подходит для потолков 2,5-2,7м. Если у вас потолки в помещении выше, нужно вычислять коэффициенты и пересчитывать. Для этого высоту ваших помещений делим на стандартную 2,7м и получаем поправочный коэффициент.

Расчет мощности котла отопления по площади — самый простой способ
Например, высота потолков 3,2м. Считаем коэффициент: 3,2м/2,7м=1,18 округляем, получаем 1,2. Выходит, что для обогрева помещения 160м 2 с высотой потолков 3,2м требуется отопительный котел мощностью 16кВт*1,2=19,2кВт. Округляют обычно в большую сторону, так что 20кВт.
Чтобы учесть климатические особенности есть уже готовые коэффициенты. Для России они такие:
- 1,5-2,0 для северных регионов;
- 1,2-1,5 для подмосковных регионов;
- 1,0-1,2 для средней полосы;
- 0,7-0,9 для южных регионов.
Если дом находится в средней полосе, чуть южнее Москвы, применяют коэффициент 1,2 (20кВт*1,2=24кВт), если на юге России в Краснодарском крае, например, коэффициент 0,8, то есть мощность требуется меньше (20кВт*0,8=16кВт).

Расчет отопления и подбор котла — важный этап. Неправильно найдете мощность и можете получить такой результат…
Это основные факторы, которые учитывать необходимо. Но найденные значения справедливы, если котел будет работать только на отопление. Если требуется еще и греть воду, нужно добавить 20-25% от рассчитанной цифры. Потом требуется добавить «запас» на пиковые зимние температуры. Это еще 10%. Итого получаем:
- Для отопления дома и ГВС в средней полосе 24кВт+20%=28,8кВт. Потом запас на холода — 28,8кВт+10%=31,68кВт. Округляем и получаем 32кВт. Если сравнивать с первоначальной цифрой в 16кВт, разница получается в два раза.
- Дом в Краснодарском крае. Добавляем мощность для нагрева горячей воды: 16кВт+20%=19,2кВт. Теперь «запас» на холода 19,2+10%=21,12кВт. Округляем: 22кВт. Разница не столь разительная, но тоже достаточно приличная.
Из примеров видно, что учитывать хотя-бы эти значения нужно обязательно. Но очевидно, что в расчете мощности котла для дома и квартиры, разница быть должна. Можно пойти тем же путем и использовать коэффициенты для каждого фактора. Но есть более простой способ, который позволяет внести коррекции за один раз.
При расчете котла отопления для дома применяется коэффициент 1,5. Он учитывает наличие теплопотерь через кровлю, пол, фундамент. Справедлив при средней (нормальной) степени утепления стен — кладка в два кирпича или аналогичные по характеристикам стройматериалы.
Для квартир применяются другие коэффициенты. Если сверху находится отапливаемое помещение (другая квартира) коэффициент 0,7, если отапливаемый чердак — 0,9, если неотапливаемый чердак — 1,0. Нужно найденную по описанной выше методике мощность котла умножить на один из этих коэффициентов и получите достаточно достоверное значение.
Чтобы продемонстрировать ход вычислений, произведем расчет мощности газового котла отопления для квартиры 65м 2 с потолками 3м, которая расположена в средней полосе России.
- Определяем требуемую мощность по площади: 65м 2 /10м 2 =6,5кВт.
- Вносим поправку на регион: 6,5кВт*1,2=7,8кВт.
- Котел будет греть воду, потому добавляем 25% (любим погорячее) 7,8кВт*1,25=9,75кВт.
- Добавляем 10% на холода: 7,95кВт*1,1=10,725кВт.
Теперь результат округляем и получаем: 11Квт.
Указанный алгоритм справедлив для подбора отопительных котлов на любом виде топлива. Расчет мощности электрического котла отопления ничем не будет отличаться от расчета котла твердотопливного, газового или на жидком топливе. Основное — производительность и эффективность котла, а теплопотери от типа котла не изменяются. Весь вопрос в том, как потратить меньше энергоносителей. А это уже область утепления.
Нормы и правила
Если не придерживаться четких указаний от региональных властей, то в момент проверки специалисты газораспределительной компании попросту откажут хозяину в подключении агрегата к газопроводу. Чтобы избежать такой ситуации, нужно внимательно изучить требования и нормы, а после этого придерживаться их в процессе монтажа.
Установку всегда производят только после проектирования системы, к этому этапу необходимо отнестись максимально серьезно, чтобы в дальнейшем избежать больших проблем.
Нужно ли согласовывать установку
Ответ однозначный – да, а если сказать больше, то на получение разрешения и согласование с властями уходит львиная доля времени, по отношению ко всему процессу. Алгоритм действий лучше разобрать подробно, первое, что нужно сделать хозяину частного дома или квартиры, это посетить ближайший офис местной компании для получения технических условий.
Там он пишет заявление, которое будет рассматриваться на протяжении некоторого времени, зачастую на составление бланка уходит 1-2 недели, после чего человеку выдают документ на руки.
Как только бумаги поступят в распоряжение хозяина, стоит приступать к заказу разработки проекта, в который входит схема обвязки двухконтурного котла и другие важные моменты монтажа.
Подобные заказы можно сделать в ближайшем инженерно-проектировочном бюро, специалисты с надлежащим образованием проверяют газовые коммуникации и выполняют заказ, предварительно согласовав сроки. Когда проект будет составлен, его следует направить на рассмотрение в одну из служб:
- Горгаз.
- Райгаз.
- Облгаз.
- Мингаз.
При покупке двухконтурного котла следует обратить внимание на наличие паспорта, эти документы также потребуется предоставить
Общие требования по проекту
Все важные моменты можно узнать при ознакомлении со СНиПом 42-01-2002, в котором содержится информация, касающаяся правил монтажа двухконтурного котла. Помещение, в котором будет проходить установка оборудования, хозяин выбирает на свое усмотрение, зачастую в квартире агрегат монтируют на кухне, но для такой комнаты разрешается применять устройства с мощностью, не превышающей 60 кВт.
Отдельную топочную предусматривают для агрегатов, у которых этот показатель достигает 150 кВт. Существуют общепринятые требования к помещению для монтажа двухконтурного котла, они выглядят так:
- Минимальные значения объема 7,5 куб. м, а высота потолков не ниже 2 м.
- Запрещено оборудовать приспособлениями, функционирующими на газу подвалы, балконы, коридоры и санузлы.
- Стены необходимо защитить от нагрева, для этого используют негорючие материалы.
- Для организации освещения существует алгоритм просчета: на 10 куб. м. потребуется 0,3 окна.
- Подключение к электросети предполагает применение кабеля с заземлением, также как и для вариантов схем с бойлером.
- К сечению дымохода предъявляются отдельные требования, оно должно соответствовать мощности оборудования.
- Удаляют агрегат от стены на 0,7 м, перед ним также не должно быть преград на расстоянии 1,25 м.
- От выхода вертикального дымохода до аппарата следует отступить не более 3 метров.
Помимо этих правил, особое внимание уделяется вентиляции комнаты, она должна быть исправна и хорошо функционировать
Документы
Для согласования проекта потребуется предоставить пакет собранных документов, в их число входят:
- Технический паспорт на устройство.
- Инструкция по проведению эксплуатации.
- Сертификат на соответствие санитарным и техническим требованиям.
- Выводы после прохождения экспертизы, направленной на осмотр агрегата.
Если после произведения всех необходимых действий хозяин получил письменный отказ, то сотрудники зачастую вносят правки, которые потребуется устранить для повторной проверки на соблюдение правил.
Расчёт количества секций отопительных приборов
Система отопления не будет эффективной, если не рассчитать оптимальное количество секций радиаторов. Неправильный расчёт приведёт к тому, что комнаты будут обогреваться неравномерно, котёл будет работать на пределе возможностей или, наоборот, «вхолостую» растрачивая топливо.
Некоторые владельцы домов считают: чем больше батарей, тем лучше. Однако, при этом удлиняется путь теплоносителя, который постепенно охлаждается, а значит, последние комнаты в системе рискуют остаться без тепла. Принудительная циркуляция теплоносителя, отчасти, решает эту проблему. Но нельзя упускать из виду мощность котла, который может просто «не потянуть» систему.

Чтобы рассчитать количество секций, понадобятся следующие значения:
- площадь отапливаемой комнаты (плюс смежной, где нет радиаторов);
- мощность одного радиатора (указана в технической характеристике);
принять во внимание, что на 1 кв. м. жилой площади потребуется 100 Вт мощности для средней полосы России (согласно требованиям СНиПа)
жилой площади потребуется 100 Вт мощности для средней полосы России (согласно требованиям СНиПа).
Площадь комнаты умножают на 100 и полученную сумму делят на параметры мощности устанавливаемого радиатора.
Пример для комнаты в 25 кв. метров и мощности радиатора 120 Вт: (20х100)/185=10,8=11
Эта самая простая формула, при не стандартной высоте комнат или их сложной конфигурации используются другие значения.
Как правильно рассчитать отопление в частном доме, если мощность радиатора по каким-то причинам неизвестна? По умолчанию берётся средне статическая мощность в 200 Вт. Можно брать средние значения определённых типов радиаторов. Для биметаллических эта цифра составляет — 185 Вт, для алюминиевых — 190 Вт. У чугунных значение значительно ниже — 120 Вт.
Если расчёт ведётся для угловых помещений, то полученный результат можно смело умножать на коэффициент 1,2.
Что говорят нам СНИПЫ?
Если верить строительным СНИПАМ, то для того чтобы протопить дом или квартиру со средней потерей тепла (например с деревянными окнами) – нужно приложить примерно 100 Вт тепловой энергии на 1 квадратный метр.
Если изолировать свое жилище (основные моменты сверху) – то потери можно уменьшить, скажем до 70 – 80 Вт на квадрат. Что очень существенно! Это примерно 20% от общей мощности.
Поэтому утепление должно стоять на 1 месте — ведь делаете 1 раз, и затем экономите всю жизнь.
Скажем так если топиться электричеством – вот вам 100 Вт на 1 квадрат, то есть если протопить 10 квадратных метров нужно приложить – 1 Квт, просто перемножаем.
Расчет мощности газового котла в зависимости от площади
В большинстве случаев используют ориентировочный подсчет тепловой мощности котлоагрегата по площадям нагрева, например, для частного дома:
- 10 кВт на 100 кв.м;
- 15 кВт на 150 кв.м;
- 20 кВт на 200 кв.м.
Подобные вычисления смогут подойти для не очень большого сооружения с утепленным чердачным перекрытием, низкими потолками, хорошей термоизоляцией, окнами с двойным остеклением, но не более того.
По старым расчетам лучше не делать. Источник фото: porjati.ru
К сожалению, данным условиям соответствуют только немногочисленные строения. С тем, чтобы осуществить наиболее обстоятельный расчет показателя мощности котла, необходимо учитывать полный пакет взаимосвязанных величин, в том числе:
- атмосферные условия в местности;
- размер жилой постройки;
- коэффициент теплопроводности стены;
- фактическую теплоизоляцию здания;
- систему регулировки мощности газового котла;
- объем тепла, требуемый для ГВС.
Расчет одноконтурного котла отопления
Подсчет мощности одноконтурного котлоагрегата настенной или напольной модификации котла с применением соотношения: 10 кВт на 100 м2, необходимо увеличить на 15-20%.
Например, необходимо обогреть здание площадью 80 м2.
Расчет мощности газового котла отопления:
10*80/100*1.2 = 9.60 кВт.
В случае, когда в торговой сети не существует требуемого вида устройств, приобретают модификацию с большим размером кВт. Подобный метод пойдет для источников отопления одноконтурного типа, без нагрузки на горячее водоснабжение, и может быть заложен в основу расчета расхода газа на сезон. Иногда вместо жилой площади расчет выполняют с учетом объема жилого здания квартиры и степени утепления.
Для индивидуальных помещений, построенных по типовому проекту, с высотой потолочного покрытия 3 м, формула расчета довольно простая.
Еще один способ расчета ОК котла
В данном варианте учитывают площадь застройки (П) и коэффициент удельной мощности котлоагрегата (УМК), зависящего от климатического места расположения объекта.
Он варьируется в кВт:
- 0.7 до 0.9 южные территории РФ;
- 1.0 до 1.2 центральные регионы РФ;
- 1.2 до 1.5 Московская область;
- 1.5 до 2.0 северные районы РФ.
Следовательно, формула для расчета выглядит таким образом:
Мо=П*УМК/10
Например, необходимая мощность источника отопления для постройки в 80 м2, расположенного в северном регионе:
Мо = 80*2/10 = 16 кВт
Если собственник будет устанавливать двухконтурный котлоагрегат, для отопления и ГВС, профессионалы советуют добавить к полученному результату еще 20% мощности на подогрев воды.
Как рассчитать мощность двухконтурного котла
Расчет теплопроизводительности двухконтурного котлоагрегата выполняется на основанию такой пропорции:
10 м2 = 1 000 Вт + 20% (теплопотери) + 20% (подогрев ГВС).
В случае, если здание располагает площадью 200 м2, то требуемый размер будет состоять: 20.0 кВт + 40.0% = 28.0 кВт
Это прикидочный расчет, его лучше уточнить по норме водопользования ГВС на одного человека. Такие данные приводятся в СНИПе:
- ванная комната — 8.0-9.0 л/мин;
- душевая установка — 9 л/мин;
- унитаз — 4.0 л/мин;
- смеситель в мойке — 4 л/мин.
В техдокументации к водонагревателю указывается, какая необходима теплопроизводительность котла, чтобы гарантировать качественный подогрев воды.
Для теплообменника на 200 л будет достаточно нагревателя нагрузкой приблизительно 30.0 кВт. После рассчитывают производительность, достаточную для обогрева, в конце итоги суммируют.
Расчет мощности бойлера косвенного нагрева
Для того, чтобы сбалансировать нужную мощность одноконтурного агрегата работающего на газовом топливе с бойлером косвенного нагрева, нужно установить какой объем теплообменника потребуется, чтобы обеспечить горячей водой жильцов дома. Используя данные по нормам горячего водопотребления легко можно установить, что расход в сутки для семьи из 4-х человек составит 500 л.
Производительность водонагревателя косвенного нагрева напрямую зависит от площади внутреннего теплообменника, чем более размеры змеевика, тем больше тепловой энергии он передает воде в час. Детализовать такие сведения можно, изучив характеристики по паспорту на оборудование.
Источник фото: coolandtheguide.com
Существуют оптимальные соотношения этих величин для среднего диапазона мощности бойлеров косвенного нагрева и время получения заданной температуры:
- 100 л, Мо — 24кВт, 14 мин;
- 120 л, Мо — 24кВт,17 мин;
- 200 л, Мо — 24кВт, 28 мин.
При выборе водонагревателя рекомендуется, чтобы он нагревал воду примерно за полчаса. Исходя из этих требований предпочтительнее 3-й вариант БКН.
Открытая и закрытая система отопления
Ошибка №13
На открытую систему отопления нельзя ставить современные газовые котлы.
Действительно, все последние модели в основном рассчитаны для закрытых систем. В них поддерживается стабильное давление и при его снижении срабатывает датчик, который отключает нагревательный прибор.
Падение давления, как правило, свидетельствует об утечке. При установке современного газового котла на открытую систему вам всего на всего нужно донести до датчика информацию, что давление в системе изначально низкое, и это ни коим образом не говорит о проблемах в отоплении.
Это делается элементарным замыканием проводов датчика между собой.
После этого, если вы в дальнейшем не будете осушать систему и сливать воду, котел будет работать без проблем.
Ошибка №14
Единственный нюанс – не все производители считают подобный лайфхак гарантийным случаем!
Поэтому заранее уточняйте данный момент у продавца.






































