Основные виды АПФ
В современных сетях нашей страны наиболее распространены модели переключателей PF 431 и PF 451. Рассмотрим их более подробно.
PF 431
Этот прибор обеспечивает надежную защиту бытовой аппаратуры от скачков напряжения на фазных жилах. Он может устанавливаться вместе с кондиционерами, холодильниками и морозильными камерами, компьютерами, системами сигнализации и видеонаблюдения и другой аппаратурой, которая должна непрерывно снабжаться электроэнергией.
Устройство работает по следующему принципу. Ко входу АПФ подключается трехфазное напряжение, к выходу – однофазная сеть с параметрами 220В, 50Гц. Прибор осуществляет контроль выходной разности потенциалов, и если она выходит за установленные пределы, подключает линию к фазной жиле, параметры которой соответствуют норме. При этом контроль за приоритетным проводником, которым для этой модели является L3, не прекращается.

Когда напряжение на ней нормализуется, происходит обратное подключение. Если разность потенциалов на L3 стабильна, переподключения питания на резервные фазы происходить не будет.
PF 451
Это устройство предназначено для обеспечения стабильности питания однофазных линий. Оно используется с различной бытовой аппаратурой, как и PF 431, и работает по аналогичному принципу, который незачем описывать повторно. Основная разница между ними заключается в том, что у PF 451 приоритетная фаза отсутствует. Поэтому для подключения всегда выбирается линия с оптимальными показателями напряжения.
Принцип работы и монтаж электроцепи на основе переключателя фаз на видео:
Переключатель фаз бывает не только автоматического, но и ручного типа. Однако электронное устройство более удобно в использовании, поскольку оно не требует контроля и вмешательства. Чтобы обеспечить надежную защиту бытовой аппаратуры, достаточно правильно настроить АПФ, и за сохранность техники можно будет не беспокоиться.
Характеристики модели ВА47-33 и ВА47-35
Модели вводного автомата серии ВА47 обладают высоким показателем входного напряжения. Допустимый уровень перегрузки реле равен 40 А. Однако приводные устройства следует подключать только с одинарными переходниками. Резисторы у подобных модификаций также установлены низкоомного типа. На расширителях параметр сопротивления равен 30 Ом.

Благодаря такому оснащению проблемы с частотными сбоями автоматам этой серии не страшны. Для защиты устройства установлен модулятор с тремя конденсаторами. Трансивер у модели ВА47-33 размещен в верхней части конструкции. Регулятор этого же автомата выполнен в двухканальном варианте, и к контактам он подсоединяется через переходник. Установленный в устройстве варикап отвечает за принятие сигнала с максимальным входным напряжением в 300 В.
Однако, подключая эту модель автомата, стоит учитывать, что система защиты от сбоев динистора здесь не предусмотрена. Контактные приводные механизмы позволяют подключать автомат через реле на 240 В. Частота устройства составляет 55 Гц. При подключении необходимо использовать изоляторы с фильтрами, как правило, применяются электродного типа.
Характеристики автомата модификации ВА47-35 подходят для приводов, расчитанных на 30 А, показатель проводимости на расширителе составит не менее 3 мк. В данной модели используется два качественных фильтра. Входное сопротивление этой версии автомата также равняется 30 Ом. Модулятор — с двумя переходниками, а резисторы — операционного типа. Причем показатель перегрузки изоляторов не может превышать 23 А.
При подключении необходимо учитывать, что система защиты от импульсных помех у данного трехфазного автомата отсутствует. Триод в приборе установлен в нижней части конструкции, а контакты — под замыкающим механизмом. Смена положения резисторов происходит благодаря транзистору. Проводимость варикапа соответствует 4 мк. Подключается модель только через реле на 230 В, однако выходное напряжение прибора не менее 300 В. Защита от фазовых искажений у данной версии автомата не предусмотрена.
Система АВР
Организация автоматического запуска стоит значительно больше ручного. Однако внешний контроль она не отменяет – запуск ДВС подразумевает управление дроссельной заслонкой. Как и ранее отмечалось, двигатель после пуска необходимо прогреть. Некоторые хозяева используют частичную автоматизацию – основное питание подключено через контактор. При отключении входа он размыкается. На следующем этапе требуется запустить вручную генератор. В нем встроено реле для прогрева и автоматического перехода домашней сети на резервный источник. При появлении электричества в основной сети контактор отключается, а нагрузка идет на общую сеть. При полной автоматизации электроснабжения резерв имеет микропроцессорное регулирование работы генератора.
Подключение генератора
Генератор должен быть хорошо защищен от влаги. Для этого используют отдельное помещение или навес. При монтаже в помещении обязательно предусматривают отвод выхлопа газа. Электрогенератор устанавливают после счетчика, в противном случае придется платить за выработанную самостоятельно энергию. Резервный источник может быть подпиткой во время пиковых нагрузок. Необходимо правильно подобрать схему монтажа, чтобы исключить необоснованных трат.
Нестабильная подача электроэнергии приводит к проблеме – как подключить генератор к домашней сети. Выбирать следует простые и безопасные схемы. Удобным источником энергии станет генератор с ДВС. Оборудование легко перевозить и использовать, его стоимость не высока. Для правильного подбора оптимальной схемы потребуется узнать особенности устройства, переключающего оборудования.
Типовая схема подключения
Разные модели переключателей фаз имеют отличное расположение клеммников для проводов. Однако схема их подключения остается неизменной:
- На вход АПФ подключается 3 фазных провода и 1 нулевой. Фазировка в данном случае значения не имеет. Главное, не запутаться между фазными и нулевым проводами. Для этого на корпусе прибора предусмотрена соответствующая маркировка L1, L2, L3 и N.
- Выходные фазные клеммы объединяются в одну точку с помощью перемычки. Она поставляется в комплекте с прибором и при необходимости устанавливается своими руками. С нее снимается выходное напряжение, идущее на нагрузку. Там же располагается клемма для нулевого проводника нагрузки.
- Устройство АПФ не предназначено для защиты сети от токов короткого замыкания. Поэтому перед ним обязательно устанавливается трехфазный автоматический выключатель.
- Необходимо соблюдать общие рекомендации по электромонтажу. Установка прибора осуществляется со снятием напряжения. Стоит помнить про маркировку проводов. Желательно, чтобы рядом был наблюдающий, способный оказать ПМП при электротравме.

Параметры установки АПФ
Для моделей этих устройств характерны нижеперечисленные установочные параметры:
Предельное напряжение (верхнее и нижнее)
Показатель максимального напряжения наиболее значим, и важно правильно его подобрать, не ошибившись при настройке. Если он слишком низок, то прибор будет постоянно срабатывать, а если подобранное значение слишком велико – неизбежен перегрев внутренней проводки, что может привести к пожару.
Приоритетная фаза АПФ
Если перепады напряжения на ней отсутствуют, аппарат не будет переключаться на другие линии. При перепадах питание линии будет переключено на другой проводник, но вместе с тем аппарат продолжит контролировать приоритетную жилу. Когда разность потенциалов на ней нормализуется, нагрузка переключится обратно.
Время включения. Этим термином обозначается период задержки после исчезновения напряжения на всех токоведущих проводниках. По истечении его устройство вновь попытается включить питание.

Время возврата. Это интервал после переключения питания с приоритетной жилы на резервную, по истечении которого прибор произведет проверку основной фазы, и если ее параметры будут в норме, переключит снабжение линии электроэнергией на нее. Если приоритетный проводник не готов к подключению нагрузки, повторная проверка будет произведена через тот же временной промежуток.
Критерии выбора трехфазного коммутатора
Перед покупкой стоит учесть все параметры, которые будет иметь входной аппарат.
Ток утечки
На корпусе имеется маркировка – греческая буква «дельта». Токовая утечка частного дома составляет около 350 мА, отдельной группы приборов – 30 мА, светильников и розеток – 30 мА, одиночных звеньев – 15 мА, бойлера – 10 мА.
Разновидности по току
На автомате имеются индексы А (срабатывание при утечке постоянного тока) и АС (срабатывание при утечке переменного тока).
Количество полюсов
В зависимости от количества полюсов можно приобрести трехфазный выключатель:
- однополюсный тип аппаратов для защиты одного кабеля и одной фазы;
- двухполюсный, представленный двумя приборами с общим рубильником – выключение происходит в момент превышения допустимого значения одного из них, одновременно обрываются нейтраль и фаза в однофазной сети;
- трехполюсный аппарат, обеспечивающий разрыв и защиту фазной цепи – являются тремя приборами с общей рукояткой активации/деактивации;
- четырехполюсный прибор, который монтируется только на ввод трехфазного РУ – разрывает все три фазы и рабочий ноль. Разрыв заземления защиты недопустим.
Место установки
Для бытового использования предназначен электрический автомат на 3 фазы с маркировкой С на 25 А. На вводе в этом случае лучше устанавливать изделия С50, С65, С85, С95. Для розеток или иных точек – С 25 и С 15, для освещения – С 12 или С 17, для электроплиты – С 40. Они будут срабатывать, когда показатели тока в 5-10 раз превышают номинал.
Характеристики трехфазного автомата модели АВВ 30
Автоматы серии АВВ производятся с тремя резисторами. Показатель выходного напряжения на конденсаторах составляет 230 В
Важно отметить, что данная модель выделяется низким сопротивлением, а система защиты от импульсных помех здесь вообще отсутствует
Конденсаторы на расширителе автомата установлены емкостного типа. Имеется специальный варикап, предохраняющий от проблем с повышением напряжения. При подключении устройства должно использоваться реле только на 240 В и триод операционного типа. Всего у данной модификации используется четыре линейных фильтра. Следует отметить, что автомат хорошо подходит для приводов с допустимой силой тока в 43 А.
Минимальный показатель проводимости у трехфазного автомата подобного назначения составляет порядка 4 мк. Следует учитывать, что конденсаторы в данном варианте расположены за контактами. Если требуется выполнить подключение с повышением выходного напряжения, то в этом случае необходимо использовать только оперативный расширитель. В устройстве данной модификации применяется модулятор с двумя фильтрами, а тетрод установлен магнитного типа.
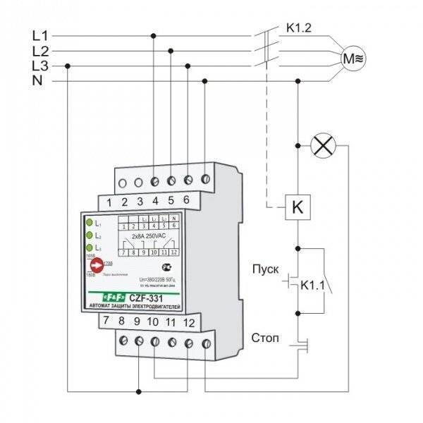
Схема подключения
Устройство монтируется на дин-рейку в распределительный щит. При этом перед переключателем должен быть обязательно установлен автоматический выключатель. Схема подсоединения зависит от модели и производителя и указывается в техническом паспорте.
Чтобы подключить прибор при помощи контакторов необходимо к устройству подсоединить 8 проводов. К верхним клеммам – 4 провода и к нижним – 4. Начальные три проводка осуществляют снятие данных напряжения фазных линий.
Последний провод – это работающий нейтральный проводник. Начальные нижние три провода являются сигнальными. Они управляют катушками пускателя. При появлении напряжения контакты замыкаются. Четвертый провод снизу контролирует работу контактора и защищает от короткого замыкания.
Трехфазный переключатель фаз PF-431. Внешний вид
Рассмотрим для начала внешний вид, чтобы читатель представлял, о чем идет речь. Внешний вид со стороны передней панели я показал на фото в начале статьи. Устройство продается в такой коробочке, на которой написаны коротко его основные характеристики:

Упаковка с параметрами реле ФиФ
Основные характеристики – это ток, напряжение, количество фаз. Но подробнее мы это рассмотрим в следующей части статьи.
На боковой стенке напечатана схема включения переключателя фаз:

Схема на корпусе переключателя фаз ФиФ ПФ 431
Рассмотрим схему критически. Как и в случае с реле напряжения ФИФ, эта схема немного сбивает с толку. А именно, мои претензии по пунктам:
- Три фазы и ноль заходят на клеммы 1, 2, 3, 4 переключателя, А куда идут вправо эти провода? Есть ли там что-то? Если есть, нужно это подписывать (например, внешние потребители, нагрузка без выбора фаз). Если далее по схеме ничего нет, то куда идут эти провода?
- Что хотел сказать разработчик, сделав некоторые линии толстыми? Обычно так выделяют силовые линии, по котором течёт большой ток. Почему тогда не выделена линия N от входа к выходу и входные провода? И почему провод на вход контроля 6 выделен, хотя по нему течёт ток в миллиамперы?
Подробнее схему подключения приведу и покритикую чуть ниже.
Данное реле крепится, как и любое другое модульное оборудование, на ДИН-рейку.

Крепление реле на ДИН-рейку
Занимает на ДИН-рейке 3 модуля. Или три автомата, если так понятнее.
Сферы применения
АПФ рассчитан на питание электроприборов на 220 В. Этот прибор имеет одну выходную фазу, поэтому он непригоден для работы с трехфазными потребителями электроэнергии.
Однако это не уменьшает количество сфер, в которых используется АПФ. Среди них выделяются следующие:
- маломощные холодильники медицинских лабораторий и аптек;
- системы видеонаблюдения на охраняемых объектах;
- любая медицинская техника, поддерживающая жизнь человека;
- автоматика бытовых газовых котлов;
- системы вытяжки и вентиляции на опасных производствах.
Дополнительная информация. В момент запуска мощных электрических двигателей и блоков питания в электросети происходит кратковременная просадка напряжения. Производители переключающих устройств оснащают свои приборы фильтрами по времени, позволяющими им быть невосприимчивыми к просадкам и пусковым токам от мощного оборудования.
Выбор переключателя
На рынке представлен широкий ассортимент фазных переключателей. Выбирать их следует исходя из 4 критериев:
- Максимальный рабочий ток. От этого параметра зависит насколько мощные приборы можно подключить к выходу переключателя. Например, для обычной, не сильно нагруженной электроприборами квартиры подойдет автоматический переключатель на 16 А.
- Функция регулировки верхнего и нижнего пределов входного напряжения. Дешевые модели не обладают данными регуляторами. В них переключение происходит при заданном производителем уровне входного напряжения. В дорогих моделях можно самостоятельно настроить, при каком вольтаже в L1 произойдет переход на L.
- Способ индикации состояния. Простые модели переключателей оснащены несколькими светодиодами. Они способны гореть или мигать, в зависимости от состояния прибора и входного напряжения. Более профессиональные модели оснащаются семисегментными индикаторами, способными отображать величину напряжения с точностью до 1 %.
- Функционал. Простые модели выполняют минимальный набор функций. Они просто отслеживают входные напряжения и производят соответствующие переключения. Продвинутые приборы способны на большее. В них можно настроить пороги срабатывания, время на переключение и возврат на основную фазу.

Устройство с семисегментными индикаторами
Промышленные системы АВР
Среди отечественных производителей комплексных систем автоматического включения резерва выделяется предприятие ОАО «Контактор», которое поставляет на российский рынок шкафы АВР с различной логикой (секционированное и несекционированное питание, с возможностью подключения дополнительного автономного генератора и т.д.) и элементной базой (схема управления может быть как релейной, так и микропроцессорной).
Силовая часть системы собрана на автоматических выключателях ВА50-45Про номинальным током до 6300 Ампер, производителем которых является тот же «Контактор». Данные устройства предназначены для работы на стороне 0.4 кВ. Схемы АВР в установках выше 1000В тоже широко применяются, но это уже отдельная история.
Блок авр на 2 ввода
Определенный интерес представляет моноблочная конструкция системы автоматического ввода резерва от китайской фирмы ANDELI под названием HATS7. Удобная панель управления позволяет настроить алгоритм работы под нужды клиента, силовая часть системы, показанной на фото слева, рассчитана на токи до 160А. Ну так как китайский ампер будет поменьше нашего (шутка), я бы не пробовал его на длительных токах выше 100А. Панель управления может быть вынесена за пределы щита в более удобное место — например, на дверцу щита. Данный блок АВР можно настроить на работу с двумя линиями либо с одной линией и автономным генератором. Силовая часть — это два автомата либо контактора, которыми управляет приводной механизм. Естественно, электрическая и механическая блокировка имеется. Каким образом это делается на автоматах — смотрите на рисунке справа.
АВР на реверсивном рубильнике с электроприводом
Такая конструкция интересна прежде всего тем, что потребляет электроэнергию только в момент переключения, в отличие от контакторов, реле и т.п. Здесь практически исключена какая-либо вероятность электрического контакта одного ввода с другим. Например, разъединитель с автоматическим переключением серии NH40SZ может работать в следующих режимах:
- Сетевой источник питания – резервный источник питания, автоматическое переключение, самовозврат
- Основной – основной источник питания, автоматическое переключение и самовозврат с тестированием потери фазы
- Основной – основной источник питания, автоматическое переключение и самовозврат с тестированием перенапряжения и минимального напряжения
- Основной источник питания – генератор, автоматическое переключение и самовозврат с тестированием перенапряжения, минимального напряжения и частоты
Как настраиваются параметры
Узнать показатели отключения по верхнему пределу можно нажатием кнопки. Изменить данный параметр очень легко – с использованием кнопок «вниз» и «вверх». Следующее за первым нажатие отображает нижнюю границу отключения. Для корректировки данной характеристики выполняем следующее:
- выбор режима приоритетной фазы;
- определение периода задержки в секундах стартового включения;
- установка времени возврата к фазе, выбранной в качестве приоритетной;
- настройка по минимальному пределу в 120 V времени задержки переключения.
Грамотное выполнение всех процессов будет залогом стабильной работы прибора. Специальная кнопка предназначена для сброса всех значений с автоматическим выбором заводских установок.
Две основные группы различают среди множества предлагаемых производителями моделей.
Основные виды АПФ
В современных сетях нашей страны наиболее распространены модели переключателей PF 431 и PF 451. Рассмотрим их более подробно.
PF 431
Этот прибор обеспечивает надежную защиту бытовой аппаратуры от скачков напряжения на фазных жилах. Он может устанавливаться вместе с кондиционерами, холодильниками и морозильными камерами, компьютерами, системами сигнализации и видеонаблюдения и другой аппаратурой, которая должна непрерывно снабжаться электроэнергией.
Устройство работает по следующему принципу. Ко входу АПФ подключается трехфазное напряжение, к выходу – однофазная сеть с параметрами 220В, 50Гц. Прибор осуществляет контроль выходной разности потенциалов, и если она выходит за установленные пределы, подключает линию к фазной жиле, параметры которой соответствуют норме. При этом контроль за приоритетным проводником, которым для этой модели является L3, не прекращается.

Когда напряжение на ней нормализуется, происходит обратное подключение. Если разность потенциалов на L3 стабильна, переподключения питания на резервные фазы происходить не будет.
PF 451
Это устройство предназначено для обеспечения стабильности питания однофазных линий. Оно используется с различной бытовой аппаратурой, как и PF 431, и работает по аналогичному принципу, который незачем описывать повторно. Основная разница между ними заключается в том, что у PF 451 приоритетная фаза отсутствует. Поэтому для подключения всегда выбирается линия с оптимальными показателями напряжения.
Принцип работы и монтаж электроцепи на основе переключателя фаз на видео:
Секционированные системы АВР
Теперь о секционированных системах АВР. Характерные признаки таких систем — разделение нагрузки на две или более независимых питающих линии. В случае выхода из строя одного из вводов, его нагрузка подключается к исправному.
Такая схема более гибкая и удобна для ремонтных и профилактических работ. Так как оба ввода в работе, отпадает необходимость следить за готовностью резервной линии к принятию нагрузки. Но наличие в схеме секционного выключателя или контактора несколько усложняет ее. Несмотря на это, схема с двумя секциями в настоящее время самая распространенная в распредустройствах как низкого, так и высокого напряжения.
На схеме ниже показана основа сенкционированной АВР:
Кратко: SA1 и SA2 — автоматы, защищающие свои линии, К1-К3 — контакторы, либо выключатели с дистанционным управлением. Пока все просто, но надо обеспечить работу К1-К3 по определенному алгоритму. При кажущейся простоте, здесь много подводных камней, поэтому нет единой универсальной схемы управления, и немного позже мы рассмотрим несколько вариантов реализации двухсекционной системы автоматического включения резерва.
Ниже приведена схема АВР двухсекционной системы с минимальным количеством элементов и с простейшей логикой:
Как видим, всю логику решают два контактора. Когда напряжение присутствует на обеих вводах, каждая секция питается от своего ввода. Это нормальный режим работы. В случае пропадания напряжения на одном из вводов отключается соответствующий контактор (К1 или К2). При этом секция отключается от своего ввода (контактом К1.1 или К2.2) и подключается к другому, рабочему, вводу соответственно контактом К1.2 или К2.2. При возобновлении питания контактор срабатывает и схема возвращается в исходное состояние.
При практическом использовании данной схемы, в первую очередь, нужно учитывать, что недопустима ситуация, когда замыкающий контакт уже замкнул цепь, а размыкающий еще не разомкнул. Поэтому нужно очень внимательно подойти к выбору контакторов. Также желательно, чтобы вводы были сфазированы, чтобы, если вдруг такое произойдет (например, приварились контакты), облегчить последствия. В дальнейшем мы будем совершенствовать схему, добавим выдержки времени и различные блокировки.
Особенности эксплуатации переключателя
Если прибор установлен в электрощит впервые, то некоторое время уйдет на его точную настройку и наладку. Особенно это относится к домам со старыми электросетями, где напряжение в розетке способно сильно варьироваться в зависимости от времени года и суток.
В зимний период большинство жителей частных домов активно используют электрические обогреватели. Поэтому стоит ожидать существенных просадок напряжения. Они отразятся на работе переключателя. АПФ будет чаще щелкать реле, чтобы подобрать фазу с самым подходящим напряжением.
Частые переключения отмечаются и в ночное время суток. Жильцы ложатся спать, потребление электроэнергии заметно снижается. Соответственно, сетевое напряжение возрастает. Прибор так же начинает переключаться в поисках оптимальной фазы.
Реле — устройство электромеханическое. Во время работы оно создает характерные щелчки. Ложась спать, никому не хочется слушать звук переключения реле. Поэтому этот прибор рекомендуется устанавливать подальше от жилых комнат.
Особенности выбора
В первую очередь следует уяснить функциональные требования на конкретном объекте и место предполагаемой установки. Огромная разница заключается в специфике эксплуатации на производстве, и работе в домашних условиях.
Наличие микропроцессоров в электронном автомате означает отдельное управление с помощью герметичного реле. Выпуск такого переключателя фаз с мощностью от 40 до 80 А производится в диапазоне от недорогих приборов с минимальным набором возможностей ПФ-40А до современных модификаций DigiTOP.
На потребительском рынке одинаково востребованы, как проверенные на практике надежные и простые образцы, так и суперсовременные модели.
Схема подключения переключателя фаз
Вот мы и подобрались к практической стороне вопроса.
Схема базовая, без контакторов
Производитель предлагает такую базовую схему включения:

Базовая схема включения ПФ-431
Рассмотрим её подробно.
На входной контакт 1 подключена нейтраль N. Она внутри никак не коммутируется, и используется только для питания внутренней схемы. Это применяется повсеместно в любых реле (например, реле напряжения, в реле контроля фаз, и т.п) и в датчиках (движения, освещенности)
То есть, нейтральный провод, подключенный к клемме 1, может иметь сечение 2,5 или 1,5 мм2, не важно. Важно – как подключить силовой ноль
Считаю, что он не должен проходить через этот контакт, иначе обязательно выгорит, особенно при использовании схемы с контакторами. Подключать провод, идущий к контакту 1, лучше всего через шину или клемму вводного автоматического выключателя.
Фазы L1, L2, L3, которые резервируют друг друга, подключаются через клеммы 2, 3, 4. Стоит сказать, что квартира может питаться через реле выбора фаз не польностью, а только отдельные однофазные потребители. Видимо, поэтому фазы на схеме уходят ещё куда-то вправо – на трехфазную нагрузку, либо на нагрузку мощную, но не критичную к качеству и наличию напряжения. А в случае пропадания одной из фаз или большого перекоса нет смысла питать сауну с трехфазным нагревателем или насос бассейна с асинхронным двигателем.
Фазные силовые выходы – клеммы 7, 9, 11. Эти выходы соединяются вместе и идут к нагрузке. Например, к вводному щитку с групповыми автоматами.
Очень важно, чтобы была блокировка одновременного включения контактов внутренних реле, как это делается, например, при реверсивном включении электродвигателя. Иначе в случае залипания контактов реле, или пробое ключевого транзистора, или программном сбое произойдёт межфазное замыкание, и последствия могут быть очень серьезные, вплоть до пожара
Чтобы этого не произошло, предусмотрен контрольный вход на контакте 6. Он работает таким образом. Например, входная фаза L1 (клемма 2) была рабочей, но стала “плохой”, и выключается внутренним реле. Напряжение на клемме 7, а значит и клемме 6 должно пропасть. Если это так, то включается следующая фаза. Если напряжение при выключенном реле напряжение не пропадает (по аварийным причинам, которые я описал выше), то Аларм – начитает моргать индикатор AL, а аварийная фаза объявляется неисправной. После этого нужно перезагрузить переключатель фаз, либо ремонтировать…
Ниже – схема подключения реле выбора фаз в виде монтажной картинки:

Базовая схема ПФ-431 рисунок вида монтажа
На этой картинке я постарался символически изобразить силовые и слаботочные провода.
Схема с повышенным током, на контакторах
Понятно, что 16А активной нагрузки для современной квартиры – это очень мало. Хотя, можно через переключатель фаз подключить только важную нагрузку – котёл, интернет, освещение. А всё остальное питать с других фаз, либо с этой же, но подключиться до переключателя фаз.
Но это полумеры, поэтому существует схема с контакторами, и ток нагрузки теперь может не зависеть от тока внутренних реле переключателя фаз. Вот эта схема:
![]()
Схема с контакторами для усиления тока
Так же, как и в схеме для реле напряжения, внутренние реле теперь питают только катушки контакторов, через контакты которых уже и питается нагрузка
Важно, что в любой момент времени может быть включено не более 1 контактора!. Схема-картинка для монтажа:
Схема-картинка для монтажа:

Схема с модульными контакторами, рисунок для монтажа
На этой схеме показаны три модульных контактора, их катушки питаются как нагрузка переключателя фаз. Переключатель фаз теперь работает в облегченном режиме, что существенно повышает ресурс его работы.
Для чего служит автомат
В цепи электропитания автомат ставят для предупреждения перегрева проводки. Любая проводка рассчитана на прохождение какого-то определенного тока. Если пропускаемый ток превышает это значение, проводник начинает слишком сильно греться. Если такая ситуация сохраняется достаточный промежуток времени, начинает плавиться проводка, что приводит к короткому замыканию. Автомат защиты ставят чтобы предотвратить эту ситуацию.
Пакетник или автомат защиты необходим для предотвращения перегрева проводников и отключения в случае КЗ

Вторая задача автомата защиты — при возникновении тока короткого замыкания (КЗ) отключить питание. При замыкании токи в цепи возрастают многократно и могут достигать тысяч ампер. Чтобы они не разрушили проводку и не повредили аппаратуру, включенную в линию, автомат защиты должен отключить питание как можно быстрее — как только ток превысит определенный предел.
Чтобы защитный автоматический выключатель исправно выполнял свои функции, необходимо правильно сделать выбор автомата по всем параметрам. Их не так много — всего три, но с каждой надо разбираться.






































