Как подключить проходные выключатели для управления освещением из нескольких мест? Схемы подключения и видео
Как уже было сказано выше, проходные выключатели предназначены для управления одной или несколькими группами освещения. Мы уже рассмотрели, как подключить проходной выключатель, и знаем, что управлять осветительными приборами можно из двух или более точек, но у каждой из таких схем имеются свои особенности.
Такое устройство, как выключатель, может выглядеть изящно и богато
В отличие от обычных одно, двух и трехклавишных коммутационных устройств, которые монтируются по одиночке, установку проходных выключателей выполняют только попарно. Далее мы рассмотрим, как выполнить схему управление группами освещения из двух и более мест и особенности подключения.
На видео наглядно показана схема подключения проходного выключателя:
Watch this video on YouTube
Принципиальная схема подключения проходного выключателя с 2-х мест
Подключение проходного переключателя практически не отличается от монтажа обычного 1, 2 или 3-х клавишного выключателя. Различие заключается лишь в количестве клемм и подводимых проводов.
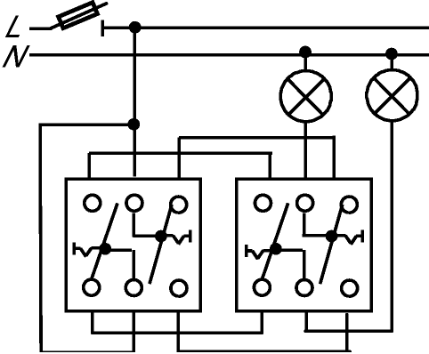
Для реализации схемы подключения проходного выключателя с двух мест потребуется наличие двух коммутирующих устройств, распределительная коробка, в которую подводятся провода от осветительных приборов и трехжильные кабеля от переключателей.
Схема подключения проходного выключателя на 2 точки
Фазовый провод от распредкоробки присоединяется к общему входному контакту 1 проходного переключателя. Выходные контакты параллельно соединяются с аналогичными клеммами второго коммутирующего устройства. От общего контакта второго переключателя провод идет на клемму осветительного прибора. Другая клемма светильника проводом соединяется в распределительной коробке с «нулем».
Вот в принципе и вся схема подключения переключателей с двух мест. По-моему ничего сложно в этом нет.
Схема подключения проходного выключателя с 3-х мест
Иногда возникает потребность в создании более двух точек управления различными группами освещения, например, на лестницах многоэтажных домов, в больших залах, длинных коридорах с несколькими выходами и т.д. В таких случаях реализуется схема подключений проходных выключателей на 3 точки минимум.
Реализация схемы подключения проходного переключателя из трех мест актуальна в многоэтажных домах
Выполнить подобное подключение также можно без проблем, однако, для этого помимо обычных проходных переключателей потребуется и перекрестный выключатель. В таких коммутирующих устройствах имеется уже не три, а четыре контакта – пара входных и два выходных, которые переключаются одновременно, а соответственно необходимо использования четырехжильных кабелей.
В подобной схеме на первой и последней точке управления освещением применяются обычные проходные выключатели, тогда как на всех остальных пунктах задействуются перекрестные переключатели. Число мест управления группами осветительных приборов неограниченно, но с каждой дополнительной точкой осложняется расключение в распредкоробке вследствие большого количества проводов. Для облегчения работ необходимо промаркировать провода, чтобы впоследствии не запутаться в них.
Схема подключения проходных выключателей из 3 мест
Принцип подключения проходных выключателей для трех точек управления следующий:
- Выходные контакты первого проходного переключателя при помощи проводов соединяется с входной парой клемм, идущего следом перекрестного выключателя, и так далее вплоть до последней точки управления, общий провод которого присоединяется к контакту осветительного прибора. Фазовый провод присоединяется к входному контакту первого коммутирующего устройства, а второй провод, идущий от светильника, приходит на «нуль» в распределительной коробке.
- К каждому из проходных переключателей подводится трехжильный провод, а к перекрестным – четырехжильные.
На приведенной выше схеме изображено подключение к освещению трех точек управления, состоящих из двух проходных и одного перекрестного выключателей.
Схема подключения проходного выключателя с 4х мест
Разобравшись, с приведенными выше вариантами расключения, несложно будет осуществить реализацию схемы подключения проходного выключателя на 4 точки и более. Разница заключается во внедрении в цепь дополнительных перекрестных переключателей.
Принципиальная схема подключения проходных переключателей для 4 мест
Принцип работ практически ничем не отличается от предыдущих, просто придется иметь дело с еще большим количеством проводов, так, что совсем нелишним будет их промаркировать.
Частные ошибки при установке
Главной ошибкой является пренебрежение установленными правилами.В частности использование для подключения переключателей вместо трехжильного кабеля, двухжильный. Стоит ли говорить, что это небезопасно, может повлечь печальные последствия.
Попытки собрать перекидной переключатель из обычных выключателей, при этом не имея достаточно, либо вообще без опыта в этой сфере. Заканчивается чаще всего безобидно, схема попросту не работает. Однако все может обернуться куда трагичнее, если не соблюдать банальных правил и нюансов, тем более без опыта.

Разрыв нуля. С легкостью может обернуться ударом током при банальной замене лампочки. Это связано с тем, что нулевой проводник разорван, в то время как на фазном присутствует электричество на постоянной основе, вне зависимости от положения клавиши переключателя.
Неправильная схема подключения. Самая опасная ошибка, которая может повлечь за собой целый ряд последствий. Среди которых удар током, выход из строя ламп, короткое замыкание и пожар.

Сенсорные модели выключателей
Помимо клавишных и рычажных модификаций на рынке встречаются модели сенсорного исполнения. По сути, функции приборов однообразные, но принцип действия, а также конструкция несколько отличаются. Современная модификация – сенсорная модель, которая отличается более удобным принципом действия. К тому же этот вид бытовых коммуникаторов имеет увеличенный срок службы, благодаря отсутствию механики в составе конструкции.
Есть два вида переключателей сенсорного исполнения:
- Сенсорные прямого действия.
- Сенсорные с диммерами.
Первые работают на прямой чёткий контакт через кратковременное прикосновение подушечкой пальца к стеклянной панели прибора. То есть в этом варианте действует только функция включения/отключения. Второй конструктивный вариант (диммерный) обеспечивает включение и отключение с плавной регуляцией яркости ламп. Для работы с этими приборами требуется такое же прикосновение пальцем с последующим удержанием подушечки пальца на стекле до момента достижения требуемой яркости свечения лампы.
Вид сенсорного прибора сзади, где расположены клеммы для подключения: COM – синхронизирующий коннектор для работы в паре с другими приборами; L – контакт под сетевую фазу; L1 – первый выходной канал; L2 – второй выходной канал
Схематика сенсорных устройств отличается от приборов иного исполнения тем, что содержит одну общую (фазную) клемму (L), две перекидных (L1, L2) и одну клемму «COM». Контакт «COM» используется для связи между выключателями при построении сложных схем. Например, с управлением из трёх и более точек несколькими зонами освещения. При этом на одну световую зону допускается нагрузочная мощность не более 1 кВт.
Сенсорные модели выключателей
Классический вариант схемной разводки с одним сенсорным устройством: N – электрический нуль; L – электрическая фаза; Л1 – нагрузка первого канала; Л2 – нагрузка второго канала. Простая организация системы управления с одним сенсорным прибором выполняется так:
- Фазная линия соединяется с клеммой «L».
- Линия «L1» образует одну зону освещения.
- Линия «L2» образует вторую зону освещения.
Если же применяется группа устройств, фазные контакты приборов (L) соединяются в параллель, плюс между собой соединяются клеммы «COM». Все остальные клеммы расключаются стандартно в зависимости от числа коммутируемых зон света.
Чтобы сенсорные устройства корректно функционировали, необходимо их запрограммировать. По сути, речь идёт о синхронизации всех выключателей группы. Программирование выполняется последовательностью:
- Касание сенсора в течение 5 сек. до звукового сигнала (или мигания светодиода).
- После звукового сигнала снять касание и перейти к следующему прибору.
- Касание сенсора второго прибора.
- Если светодиод на фронтальной панели отозвался короткими вспышками, успешно.
- Отмена синхронизации – касание сенсора в течение 10 сек.
Для сенсорных конструкций есть некоторые ограничения по монтажу. К примеру, максимально допустимое расстояние от выключателя до выключателя должно составлять не меньше 30 м. Рекомендуем также прочесть другую нашу статью, где мы подробно рассказали о сенсорных выключателях света, их разновидностях и маркировке.
Для чего нужен проходной выключатель и как он работает
Такой выключатель применяется для управления лампочкой из разных мест, то есть включить свет можно при входе в помещение, чтобы осветить себе путь, а выключить – в другой части комнаты или в другой комнате (в коридоре, на лестничной клетке, возле кровати в спальне). Получается, включить/выключить свет можно любым из проходных выключателей из всей цепи (их может быть несколько – два и более). Это позволяет экономить электроэнергию.
Принцип работы такого устройства следующий. К переходному выключателю подводятся фаза и ноль. При этом во время изменения положения клавиши устройства цепь замыкается, и лампочка горит. Соответственно, при выключении с первого, второго или третьего такого переключателя происходит размыкание проводка фазы, но тут же замыкается другой проводок фазы (нейтрального положения нет).
Внешне он немного отличается от непереходного: у него изображены две стрелочки на лицевой двигающейся панели (на клавише), одна из которых показывает вверх, вторая – вниз.
У проходного выключателя имеется один вход и два выхода, что является ключевым отличием от простого выключателя у которого только один вход и один выход. Это значит, что проходной выключатель не разрывает ток, а дает его либо на один выход, либо на другой.
Внутренние отличия могут быть сразу определены опытным взглядом электрика, но на всякий случай под корпусом проходного выключателя нарисована схема, взглянув на которую можно сразу определить, что перед вами находится именно проходная модель устройства. К сожалению, на изделиях китайских фирм-производителей такая отметка может часто отсутствовать. А вот такие фирмы, как Лезард, Вико и Легранд, наносят разметку.
Виды клемм для соединения проводов: советы по выбору
Схема подключения УЗО: инструкция, методы, ошибки
Чтобы визуально определить, какой именно перед вами выключатель (переключатель), можно просто внимательно осмотреть клеммы, то есть посчитать отверстия с медными контактами (клеммы). Если их три, значит, переключатель вам подходит. Чтобы убедиться, что клеммы не перепутаны между собой, нужно воспользоваться специальным прибором – мультиметром.
Возьмите мультиметр и поставьте его для большего удобства на режим звонка (подачи звукового сигнала). Теперь проверьте каждое из отверстий (выхода-входа), вводя рабочую часть прибора внутрь. Если тестер (мультиметр) пищит при касании к какому-то из контактов, значит, ток в этом месте есть.
Если у вас есть только стрелочный мультиметр, нужно прозванивать с помощью способа определения короткого замыкания. Для этого нужно вставить щуп в один контакт, а второй – втыкать поочередно в другие, чтобы услышать, с каким из них он замкнет. При замыкании сам прибор должен пищать, а стрелка – отклоняться до конца вправо и показывает КЗ. Когда такая комбинация будет найдена, нужно сделать следующее: не меняя ничего в щупах, меняйте положение клавиши переключателя.
В случае, если показатель КЗ пропал – значит, один из контактов является общим. Осталось определить, какой именно. Теперь, не трогая ничего в положении клавиши, переставьте один из щупов (наугад) на другой контакт. Если опять появилось КЗ (короткое замыкание), значит, тот контакт, из которого щуп не вытаскивали, и есть искомый вход, то есть общий контакт.
Как работает проходной выключатель? Просто есть два взаимозаменяющих положения выключателя:
- вход соединяется с первым выходом;
- вход соединен со вторым выходом.
Исходя из вышесказанного, правильнее называть это нехитрое устройство переключателем, а не выключателем либо включателем, так как положений включено и выключено, как таковых, у него нет.
Еще одно отличие от обычной клавиши – коммутация используется с тремя жилами (трехжильная), а не с двумя (двухжильная).
2 научных методики управления освещением удаленных территорий из любых мест
Начну их объяснение с наиболее старой и отработанной технологии.
Как работает импульсное реле в схеме освещения
Типовой малогабаритный релейный модуль импульсного типа создается в корпусе с возможностью установки на Din рейку.
Как и в любом реле здесь имеется обмотка, которая при подаче на нее управляющего сигнала, в нашем случае — импульса тока, срабатывает. Это вызывает изменение положения выходного силового контакта: он открывается или закрывается.
Конструкции подобных реле разрабатываются под разные типы напряжения и нагрузки. Для использования в схемах освещения обычно выбирают модули на 220 вольт по мощности коммутируемых лампочек.
Схема управления освещением от импульсного реле выглядит следующим образом.
Само импульсное реле защищается автоматическим выключателем и своим силовым контактом подает или снимает потенциал фазы на светильник. Оно работает от импульса, поступающего с любой кнопки.
Параллельное включение нужного количества кнопочных выключателей, работающих по принципу замыкающего контакта с самовозвратом, обеспечивает подачу управляющего импульса на реле.
Коммутировать сигнал можно с любого участка. Причем цепи создания импульса не передают больших мощностей и могут выполняться тонким проводником.
Однозначными преимуществами этой схемы по сравнению с проходными двухклавишными выключателями являются:
- простота и доступность элементной базы: кнопки надежнее чем проходные и реверсивные модули. В случае поломки их легко поменять;
- подключение реле к светильнику не требует монтажа сложных логических цепочек из толстого провода с запутанным монтажом. Кабель между ними проложить не сложно. Обвязку же кнопок вообще в большинстве случаев допустимо выполнить обычной телефонной «лапшой»;
- значительная экономия материальных средств за счет снижения затрат на кабельную продукцию.
К недостаткам этой конструкции относятся:
- необходимость для каждого светильника приобретать индивидуальное импульсное реле;
- требование разносить эти модули на небольшое расстояние друг от друга, вызванное возможностью их ложного срабатывания от импульса, поступающего на соседний близкорасположенный корпус.
Системы освещения, управляемые импульсными реле, создают серьезную конкуренцию технологиям, использующим проходные и перекрестные выключатели.
Отдельное внимание следует обратить на беспроводные конструкции. Современная схема удаленного управления светом в системе Умный дом
Современная схема удаленного управления светом в системе Умный дом
Благодаря развитию научных разработок в области микропроцессорных технологий, совершенствованию проводных и беспроводных каналов передачи информации появилась возможность управлять бытовым освещением удаленно.
В качестве примера была освоена и оценена самая простая система умного дома для квартиры от компании Sonoff.
Довольно удачно и практично получилось управлять светом со смартфона через каналы информации интернет.
Однако подключение умного выключателя от Сонофф требует наличия трех проводов в подрозетнике, а в старых зданиях везде проложено только два. Мне пришлось менять этот участок. Думал, что это не вызовет сложностей.
Но от старого хозяина остался сюрприз. Пришлось прикладывать значительные усилия и смекалку для монтажа нового участка. В итоге выключатель света Sonoff с дистанционным управлением заработал нормально.
Две последние методики я привел для того, чтобы вы могли сконцентрировать свои усилия на анализе разных способов управления домашним освещением, выбрать наиболее подходящий.
Проходные двухклавишные выключатели, схема подключения которых требует хороших навыков электрика, являются не единственным средством решения подобных задач. Ищите оптимальный вариант под свои конкретные условия.
Я же вам предлагаю дополнительно ознакомиться с материалами полезного видеоролика по нашей теме.
https://youtube.com/watch?v=rg0J-caHDjQ
Автор «Обо всем Это интересно» довольно просто и подробно преподносит полезную для новичков информацию.
В чём разница?
Функциональная разница между обычным выключателем освещения и выключателем проходным в возможностях управления освещением. Простой выключатель, после нажатия клавиши (или клавиш) размыкает или замыкает фазную цепь, идущую на прибор освещения. Проходной выключатель, не только размыкает (или замыкает) фазную цепь, но и одновременно замыкает (или размыкает) вторую фазную цепь, подключая к работе второй проходной выключатель цепи
Важно понимать терминологию. Проходной выключатель часто называют переключателем
Он имеет три контакта и используется для управления освещением с двух мест, а так же с трех мест занимая крайние положения 1 и 3.
Так же существуют проходные переключатели (перекрестные переключатели или двойные проходные выключатели), которые имеют шесть контактов и используются для управления освещением с трех мест на месте 2, между положениями 1 и 3 для переключателей.
Конструктивная разница между простым выключателем и проходным выключателем (переключателем) в количестве контактов для подключения. В простом одноклавишном выключателе их два. В простом двухклавишном выключателе их по конструкции четыре, но два из них замкнуты. В проходном выключателе их должно быть три, но клавиша одна.
схемы клавишных выключателей
Как видим, по теории, конструктивно двухклавишный выключатель наиболее близок к проходному выключателю. Там и там работают три контакта, и это нам поможет из выключателя сделать переключатель.
Зачем нужны проходные выключатели?
Установка проходных выключателей
Чаще всего такие переключатели используются в следующих местах:
- на лестницах. Можно установить выключатели на 1-м и 2-м этажах. Внизу включаем свет, поднимаемся по лестнице, вверху выключаем. Для домов высотой более двух этажей в схему можно добавлять дополнительные выключатели;
- в спальнях. Устанавливаем выключатель у входа в помещение, а еще один или даже два возле кровати. Вошли в спальню, включили свет, приготовились ко сну, легли и выключили освещение прибором, установленным возле кровати;
- в коридорах. Устанавливаем по выключателю в начале и в конце коридора. Заходим, включаем свет, доходим до конца, выключаем.
Список можно продолжать очень долго, ведь почти для каждой ситуации существует свой вариант применения системы проходных выключателей.
Преимущества и недостатки
Плюсы
- Экономия электроэнергии;
- Удобство использования в длинных коридорах, спальнях.
Минусы
- Требуются навыки работы с электрикой;
- Проходные выключатели намного дорожи обычных выключателей.
Для чего применяется перекрёстный выключатель
Если нужно обеспечить управление освещением из трёх точек, 2-х проходных выключателей будет недостаточно. В разрыв двухжильного провода, соединяющего проходные выключатели, следует вставить перекрёстный выключатель, как это показано на схеме.
Схема подключения 2-х проходных и перекрёстного выключателей для управления освещением из 3-х точек
Контакты всех переключателей на схеме замкнуты так, что ток протекает по проводам, показанным красным цветом. Если нажать клавишу на любом из 3-х переключателей, то цепь разомкнётся. Достаточно нажать клавишу на любом другом переключателе, и цепь замкнётся. Ток будет протекать по проводам, показанным голубым цветом.
Если требуется управлять освещением из 4-х точек, нужно воспользоваться следующей схемой:
Для управления из 4-х точек понадобятся 2 проходных и 2 перекрёстных выключателя
Управлять освещением можно с помощью выключателей хлопковых или с датчиками движения. Но у них имеются недостатки:
- высокая стоимость;
- выключатели этих типов быстро выходят из строя;
- хлопковые выключатели могут сработать на посторонние звуки и не сработать на хлопок;
- выключатели с датчиками движения могут реагировать на движение животных, птиц.
Вам может пригодиться инструкция, в которой описана технология подключения одноклавишного выключателя: .
Устройство и принцип работы проходного выключателя
Прежде чем разбираться с порядком подключения, стоит узнать принцип работы проходного выключателя. В этом случае монтаж можно будет выполнить собственными силами без особых трудностей.
Внешне проходной выключатель практически не отличим от обыкновенного. При этом их функциональные возможности сильно отличаются. Конструктивное исполнение обычного прерывателя предполагает наличие двух мест для присоединения проводов. Первое используется для подключения контакта на входе, второе – на выходе. Внутри устройства находится подвижный элемент, который используется для размыкания либо замыкания контактов в момент нажатия клавиши.
Обычный выключатель может работать только в двух положениях:
- «Включено», при котором электрическая цепь замыкает, и напряжение подается на осветительные приборы, подключенные к устройству. Лампы начинают светить;
- «Отключено», при котором происходит размыкание электрической цепи. Лампы гаснут.
Обычный выключатель только замыкает и размыкает цепь
Установка двух обыкновенных выключателей в разных местах комнаты не позволит управлять лампой сразу из двух мест. В этом и заключается основная проблема.
Отличительной особенностью устройства проходного выключателя является наличие трех контактов, из которых два располагаются на выходе, а один на входе. Находящийся внутри устройства элемент перекидного типа замыкает одну из двух цепочек. Промежуточного положения в данном случае не предусматривается. В результате всегда есть замкнутая цепь между входом и одним из двух выходов.
Проходной выключатель позволяет замкнуть одну из двух цепей
Перекидной выключатель
Варианты схем Снабжен двумя входами и выходами, имеет четыре клеммы, сразу переключает пару контактов. Используется не так часто, но в некоторых случаях незаменим. Облегчает передвижение в темное время суток:
- в большом коридоре или холле с множеством дверей;
- в квартире с тремя уровнями;
- спальне с выключателем у входа и двумя рядом с кроватью;
- находясь в доме, возможно управлять светильниками в гараже, на террасе, в беседке.
Чтобы обустроить освещение лестницы в трехэтажном здании, необходимо создать три точки контроля. Перекидной переключатель перекрестного типа не используется сам по себе. Подключать его нужно в разрыве между проходными выключателями. Зная порядок подключения проходного, несложно разобраться, как сделать переключатель перекидной.
Их количество может доходить до 10, но они всегда должны быть расположены между проходными.
Что такое проходной выключатель
Внешних различий никаких нет, но они кроются глубже, в обычном по одному входу и выходу, в то время как у проходного 1 вход, и 2 выхода. Данная схема позволяет не разрывать электрическую цепочку, а перенаправлять ее.
Чтобы определить, является ли проходной переключатель одинарным, нужно сделать следующее. В его устройстве должно присутствовать 3 медных контакта, для определения каждой и исключения вероятности перепутать их, нужно использовать мультиметр. Он устанавливается в режим подачи сигнала, при касании должен быть звук, который свидетельствует о наличии контакта.
Немаловажным отличием является используемый тип коммутации. У типовых переключателей используется двухжильная, в то время как у проходных в три жилы.
Такие устройства предназначены работать в местах, расположенных на разных концах помещения, либо коридора. При нажатии на клавишу одного из переключателей происходит замыкание цепи, вследствие чего появляется свет. Затем, при повторном нажатии цепь уже размыкается, лампа гаснет.
Типы выключателя на 3 точки
Выключатели с трех мест представлены двумя типа изделий: проходными и перекрестными. Последние не могут использоваться без первых. По принципу работы перекрестные делятся на:
- Клавишные.
- Поворотные. Для замыкания контактов используется поворотный механизм. Представлены разнообразным дизайном и обойдутся дороже обычных.
С учетом монтажа перекрестные делятся на:
- Накладные. Монтаж производится поверх стены, не требует создания в стене выемки для установки блока. Если отделка помещения не запланирована, то такой вариант идеален. Вот только такие модели недостаточно надежные, ведь подвержены внешним факторам.;
- Встроенные. Устанавливаются в стену, подходят для работ по разведению проводки во всех типах зданий. Предварительно готовится отверстие в стене по размерам коробки переключателя.
Проходной
В проходном выключателе в отличие от классической модели встроено три контакта и механизм, который объединяет их работу. Главное преимущество изделия – возможность проводить включение или выключение с двух, трёх или более точек. Второе наименование такого выключателя «перекидной» или «дублирующий».
Конструкция проходного выключателя с двумя клавишами напоминает два независимых друг от друга одноклавишных выключателя, но с шестью контактами. Внешне проходной от обычного выключателя не отличить, если бы не специальное обозначение на нем.
Перекрестный
Перекрестные модели с 4 контактами, что позволяет одновременно подключить два контакта. В отличие от проходных, перекрестные модели не могут использоваться самостоятельно. Их устанавливают в комплекте с проходными, на схемах обозначают идентично.
Напоминают такие модели два спаянных одноклавишных выключателя. Специальными металлическими перемычками соединены контакты. Всего одна кнопка выключателя отвечает за работу системы контактов. При необходимости перекрестную модель можно сделать самому.





































