Виды отопления.
Гео- и гелиотермальное отопления. Отопление дома с помощью тепла земли и энергии солнца. Эти способы в подавляющем большинстве случаев неприменимы, окупаться будут долго, поэтому не будем останавливаться на них.Паровое отопление. Вода с помощью котла нагревается до превращения в пар, который по магистральным трубам подается в радиаторы. Там он отдает тепло, и возвращаясь в жидкое состояние, попадает опять в котел. Эта система используется на предприятиях. Для частного дома – неприемлема ввиду громоздкости. Да и о безопасности не стоит забывать. Паровой котел – штука не совсем надежная, а температура пара 115°С.Воздушное, инфракрасное отопление. Источник тепла, например, инфракрасный излучатель, нагревает воздух, который напрямую или по воздуховодам направляется в помещения. Питанием для источников тепла служит природный газ. Для улучшения циркуляции воздуха применяются вентиляторы. Применяется для обогрева цехов на предприятиях, для жилого дома не подходит. Сухой воздух не создаст комфорта в доме. Да и стоит подобная система недешево.

Теперь уже ближе к реалиям жизни.
Электрическое отопление. Для создания отопления используются конвекторы, «теплые полы», электрические инфракрасные нагреватели и их комбинации.Конвекторы – это те же радиаторы, только нагреваемые с помощью электричества. Конвектор имеет металлический корпус, температура поверхности не свыше 60°С. На корпусе размещаются решетки, направляющие потоки воздуха вниз и в стороны. Конвекторы защищены ы от перегрева и скачков напряжения.Создание схемы отопления с помощью конвекторов дешевле водяного отопления, ведь нет ни котла, ни магистральных сетей. Кроме того, есть перемещаемые конвекторы, это позволяет изменять схему отопления.
Простейший расчет необходимого количества приборов ведется от площади дома, на 1 квадратный метр помещения требуется 100 Вт тепловой мощности. Например, площадь дома 200 кв. м. Значит, требуется тепловая мощность 100 Вт х 200 = 20 000 Вт. Вы выбрали себе конвектор мощностью 2000 Вт. Количество изделий 20 000/2000 = 10 штук.Теплые полы – нагревают помещения снизу вверх. Тепло идет в нужном направлении и равномерно по всей площади. Для устройства теплого пола внутри стяжки создается система нагревательных элементов, чаще всего электрических. Электрический элемент – трубка или проводящая пленка. Ради справедливости скажем, что теплые полы могут быть водяные.
Инфракрасные потолочные нагреватели. Новое интересное техническое решение обогрева помещений. Тепло от нагревателя, расположенного вверху помещения, передается не воздуху, а напрямую предметам в комнате. Нагреватели этого принципа обладают высоким коэффициентом полезного действия. Расположение их не уменьшает площадь комнаты.

В заключение пару ложек дегтя электрическому отоплению. Отопление дома электричеством дороже газового и перебои с электричеством случаются гораздо чаще, чем с газом.
Водяное отопление. Система является простой, надежной и дешевой в эксплуатации. Один минус – это стоимость затрат на ее создание. Дальше в статье мы будем рассматривать именно ее.
Система водяного отопления
Одна из самых эксплуатируемых систем отопления в нашей
стране – водяное отопление. Разводка труб в доме или квартире – привычное
явление.
Принцип работы водяного отопления заключается в следующем:
нагретая от котла вода естественным образом (или принудительным) циркулирует по
трубам, отдавая тепло помещению. Учитывая то, что по ходу движение воды в
местах соединения, на изгибе труб и т.д. образуется трение и местные
сопротивления, многие системы оборудованы клапанами для обеспечения давления,
сила которого равна потерям на сопротивление. Такая система водяного отопления
называется системой с искусственной циркуляцией воды.
Система водяного отопления может быть конструктивно
реализована по двум схемам:
Одноконтурная (система с замкнутой циркуляцией воды,
ориентированная только на отопление)
Двухконтурная (система, ориентированная одновременно на
отопление помещения и нагрев воды в водопроводе). Такая система требует
использования специального двухконтурного котла.
Устройство водяного отопления предполагает 3 принципиально
разные схемы разводки труб в комнатах.
Разводка труб отопления
Однотрубная система отопления дома
Схема однотрубной системы отопления представлена на фото.
Как видно из рисунка, трубы закольцованы, а радиаторы подключены по очереди. Таким образом, теплоноситель выходит из котла и поочередно проходит каждый из них.
При этом стоит отметить, что температура теплоносителя постепенно снижается. Это существенный минус системы. Тем не менее, она достаточно распространена ввиду простоты, экономичности и возможности сделать однотрубную систему отопления своими руками.
Как снизить потери тепла при однотрубной системе отопления:
увеличить число секций в последних радиаторах (два-три последних);
увеличить температуру теплоносителя на выходе. Это, в свою
очередь, повышает расходы на отопление;
обеспечить теплоносителю принудительную циркуляцию. Т.е.,
установить насос, который создаст в системе дополнительное давление заставляя
воду циркулировать быстрее.
Двухтрубная система отопления дома
Схема двухтрубной системы отопления представлена на фото.
Синим цветом выделена труба отработки, которая отводит охлажденный
теплоноситель из радиатора в котел.
Двухтрубная система отопления дома с нижней разводкой — схемаСхема двухтрубной системы отопленияДвухтрубная система обеспечивает подачу теплоносителя к радиаторам без потери тепла. Ее разновидности показаны на фото. При параллельном подключении достигается экономия на материалах. При лучевом,
появляется возможность регулировать температуру в каждой комнате отдельно.
Коллекторная (лучевая) разводка
Предполагает использование специального устройства –
коллектора, которое собирает теплоноситель и распределяет по трубам к батареям.
Схема сложная в реализации, поэтому используется редко.
Схема коллекторной (лучевой) разводки
Безусловным плюсом системы водяного отопления можно назвать
ее безопасность.
К числу недостатков относят:
относительно трудно обогреть значительную площадь без
значительных затрат (ввиду потерь тепла при циркуляции воды);
эстетический параметр. Разветвленную систему труб можно
скрыть, пожертвовав некоторым количеством объема помещения, что не всегда
удобно, или же оставить на виду;
большие по размеру радиаторы отопления;
вероятность появления воздушных пробок. Эта проблема
возникает после спуска воды из системы.
Водяное отопление пола в доме
Водяной теплый пол представляет собой систему длинных пластиковых труб уложенных на
основание чернового пола.
Система водяного отопления пола
Монтаж системы теплого водяного пола выполняется в три этапа:
укладка утеплителя или устройство чернового пола;
правильная разводка труб, которая не допускает множественных
перегибов. Оба конца трубы подключаются к центральному отоплению. Через один
конец поступает горячая вода, через второй – отводится обратно в систему.
При укладке труб стоит помнить о высоком риске повреждения труб.
Во-первых, при укладке (изгиб).
Во-вторых, при эксплуатации, например, повреждение перфоратором. Чтобы не допустить этого, нужно составить подробную схему расположения труб;
заливка стяжки на систему труб.
Эта система может быть использована в качестве основной или
дополнительной. Выбирая водяное отопление по полу, следует помнить, что в системе должен поддерживаться оптимальный температурный режим, потому что при минусе и отключенном отоплении вода в трубах замерзнет, что неизбежно приведет к их деформации. Собственно, это касается любой системы водяного отопления.
Из чего состоит отопительная система?
Довольно часто сердцем, основным элементом любой отопительной системы является котел. Именно он производит нагрев теплоносителя, задача которого очевидна – разнести тепло по всему дому. И, конечно же, лучше всего с этой задачей может справиться жидкость. В большинстве отопительных систем в качестве теплоносителя принято использовать воду.
Система с теплоносителем такого типа делается замкнутой. То есть, вода, находящаяся в ней циркулирует по кольцу, и долив теплоносителя требуется крайне редко.
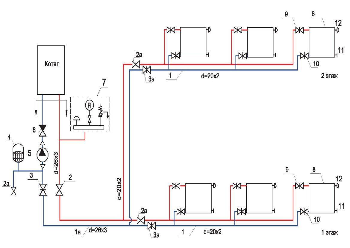
На сегодняшний день наиболее надежной и практичной признана двухтрубная отопительная система, которая изображена на фото:
Двухтрубная отопительная система
Она состоит из двух замкнутых на котле контуров – подачи теплоносителя и обрата. Первый служит для того чтобы подводить разогретую в котле жидкость к радиаторам, где она и отдает свое тепло. После остывания теплоноситель по трубам обрата возвращается к котлу для повторного нагрева. При этом наиболее рациональным и максимально эффективным является параллельное расположение радиаторов – таким образом, они прогреваются одновременно, что делает возможным равномерный прогрев всех помещений
Важно помнить – на эффективность обогрева влияет расстояние между контурами подачи теплоносителя и обрата. Допустимый минимум – высота от подоконника до пола
Следует признать, что отчасти они правы – ведь по причине прохождения теплоносителя по трубам и узлам происходит определенная потеря теплоносителя. Однако не следует забывать, что печное отопление не делает возможным одновременный равномерный прогрев всех комнат. Кроме того, использование печи – весьма неудобно по причине необходимость хранения большого запаса дров. Если же использовать котел, работающий на дровах, топлива требуется значительно меньше.
Печное отопление дома
Чаще всего используется достаточно простая, и в то же время весьма эффективная двухтрубная отопительная система с естественной циркуляцией теплоносителя. Она позволяет качественно отапливать дом, не используя при этом дополнительного оборудования – электрических циркуляционных насосов. Причина популярности данной системы отопления частных домов объясняется тем, что нередки случаи перебоев с электропитанием – а в таком случае (без электричества) система работать просто не сможет.
Одним из главных требований, которое крайне важно соблюдать для дальнейшей работоспособности системы, является создание максимально возможной разницы в высоте между выходным патрубком системы и самой высшей точкой системы. Именно поэтому наиболее рациональным является расположение котла с патрубком в подвальном помещении
Если подвал отсутствует, котел устанавливается в углубление на первом этаже. Не менее важным является и создание уклона магистрали обрата. Он выполняется по горизонтали, начиная от первого радиатора системы.
Котел отопления в подвале частного дома
В отопительной системе данного типа существует еще один обязательный элемент – расширительный бачок
Он используется для создания в системе максимального давления, которое крайне важно для нормальной циркуляции. Работа бака основана на обычном гравитационном принципе
Размещать его следует как можно выше – идеальным местом будет являться чердак. Именно от высоты расположения, а не от количества жидкости в баке и зависит давление.
Следует помнить, что такие системы отопления частного дома могут правильно работать только в том случае, если теплоносителем является вода. Система с таким принципом действия расширительного бака называется открытой.
Расширительный бачок отопления
Закрытыми называются системы, в которых расширительный бак никак не связан с внешним миром. То есть – не имеет возможности откачки теплоносителя. В такой системе принято использовать компенсационный бак. Это емкость небольшого размера, внутренняя полость которой разделена на две части гибкой мембраной. Одна из частей заполнена теплоносителем. Регулирование давления в системе происходит посредством выгибания мембраны в ту или иную сторону. Поскольку система замкнута, это позволяет в качестве теплоносителя использовать тосол.
Виды водяных систем отопления в частном доме
Существует несколько видов водяного отопления для частных домов. Здесь мы подразумеваем стандартные системы обогрева с помощью радиаторов, теплые полы и плинтусное отопление. Отдельные виды могут совмещаться друг с другом, что позволяет достичь эффективного обогрева. Например, в спальнях и гостиных монтируются обычные радиаторы, а в ванных комнатах и туалетах нередко прокладываются теплые полы – отличное решение для тех, кто не выносит холода и не любит холодный кафель. Давайте разберемся в отдельных видах отопления и в их преимуществах.
Радиаторные
Радиаторные системы отопления являются неустаревающей классикой. Принцип их работы заключается в передаче тепла от теплоносителя через устанавливаемые в помещениях радиаторы. Такие отопительные системы смонтированы в подавляющем большинстве зданий различного назначения – в жилых, производственных, административных, хозяйственных и многих других. Они отличаются относительной легкостью в монтаже – достаточно протянуть трубы и подключить к ним радиаторы.
Раньше водяное отопление в частном доме предусматривало монтаж громоздких чугунных радиаторов. Со временем им на смену пришли более легкие и тонкие стальные радиаторы, изготовленные из стойкой к коррозии стали. Позднее на свет появились алюминиевые батареи – они отличаются легкостью, дешевизной и выносливостью. Для частного дома это самый идеальный вариант батарей.
Главным плюсом радиаторных систем является то, что для их прокладки не нужно заливать бетонные стяжки. Весь монтаж сводится к установке котла и радиаторов с их последующим подключением. Радиаторы обеспечивают эффективный прогрев помещений и не нарушают дизайн интерьеров, особенно, если в качестве них выступают современные алюминиевые многосекционные батареи.
Теплый пол
Водяное отопление пола в частном доме может работать как в самостоятельном режиме, так и во вспомогательном. В самостоятельном режиме надобность прокладывать трубы с радиаторами отпадает, а все тепло испускают полы. Благодаря этому на таких полах могут без опаски играть дети, их не продует и не просквозит. У вас постоянно мерзнут ноги? Тогда вам обязательно придутся по душе всегда теплые полы. Во вспомогательном режиме они работают как дополнение к радиаторным системам.
Системы теплых полов хороши на кухнях, в ванных комнатах и туалетах, где на полу чаще всего лежит вечно холодная плитка. Прокладка отопления поможет сделать полы теплыми и комфортными. Например, в ванной комнате вам больше не придется становиться босыми ногами на холодную плитку. То же самое относится и к туалету. Если у вас на кухне лежит кафельный пол, смело укладывайте системы теплых полов и здесь. Еще одно место, где теплый пол станет атрибутом комфорта, это спальня – согласитесь, мало приятного вылезать из-под теплого одеяла и становиться пятками на холодные полы.
Для теплых полов характерна низкая температура теплоносителя, не превышающая +55 градусов, что позволяет создавать экономичные системы отопления. Но необходимость делать бетонные стяжки и проходить сквозь стены и дверные коробки является весомым минусом. Лучше всего продумать необходимость монтажа системы еще на этапе постройки дома.
Плинтусные
Современные отопительные системы, построенные на основе классических алюминиевых радиаторов, отличаются тем, что тепло от них распространяется только вверх – за счет естественной конвекции. В результате весь теплый воздух поднимается, а на его место поступает холодный воздух. Нет ничего удивительного в том, что у домочадцев начинают мерзнуть ноги. Единственным плюсом является отсутствие холода от окон, так как он уносится конвекцией к потолку. Но что делать с отоплением? Не опускать же радиаторы на самый пол?
Выходом из ситуации становятся плинтусные системы отопления. Здесь используются малогабаритные радиаторы, сделанные из латуни или алюминия. Подача теплоносителя осуществляется с помощью пластиковых труб небольшого диаметра. Система дополняется кранами, спускниками воздуха и прочими необходимыми аксессуарами.
Все это уложено в специальный пластиковый плинтус – попадающий сюда воздух нагревается и нагревает находящиеся сверху стены. Далее помещение согревается инфракрасным излучением от нагретых стен и полов. Сквозняки, дующие по полу, в обогреваемых помещениях отсутствуют. Здесь прогреваются не только стены, но и сами полы, делая комнаты теплыми и комфортными.
Достоинством плинтусного отопления является то, что его можно проложить на любом этапе, даже после завершения строительства. Недостатки – высокая стоимость монтажа и куча требований к размещению плинтусов и прочих элементов. Допускается и одновременный монтаж всех видов описанных систем.
Симптомы неполадок
Стоит сразу сказать, что просто из любви к искусству лезть к вентилям не нужно. У многих специалистов технической направленности есть любимая фраза: «Работает — не трогай». Здесь ее тоже вполне можно применить. Если вы не замечаете каких-либо негативных признаков в работе отопительной системы, то пусть она функционирует в текущем режиме. Если вы наобум покрутите краны, то можете, наоборот, все разбалансировать, и потом придется это исправлять.
Давайте рассмотрим те явления, которые являются явными признаками отсутствия балансировки:
- разница температур в помещениях. Как уже говорилось выше, при некачественной балансировке или полном ее отсутствии в одних комнатах будет гораздо холоднее, чем в других. Самые близкие к котлу помещения будут мучить вас удушливой жарой, а в самых дальних вы будете мерзнуть,
- одна из батарей отопления постоянно журчит. Такой шум свидетельствует о неполадках в токе теплоносителя,
- теплый пол, залитый бетонной стяжкой, неравномерно прогревает поверхность.
Если вы только что смонтировали новую отопительную систему, то она априори нуждается в балансировке, независимо от наличия каких-либо признаков.
Следует учесть, что далеко не каждая проблема в работе отопительной системы связана с ее балансировкой. Наоборот, бывают случаи, когда проводить эту операцию абсолютно бессмысленно:
- завоздушенность системы,
- протечка,
- образование засора,
- нарушение работоспособности расширительного бака.
Все эти факторы могут привести к неравномерному прогреву помещений. Балансировка здесь не поможет. Нужно устранять причину, по которой нарушена работоспособность системы. Например, чтобы разобраться с завоздушенностью, воспользуйтесь кранами Маевского, которые обычно установлены на радиаторах. С их помощью можно легко и быстро изгнать воздух из того места, где ему быть не положено. Как только справитесь с воздушной пробкой, ток теплоносителя сразу восстановится. Подробно о том, как пользоваться краном Маевского, вы можете узнать из статей на нашем сайте.
Что касается других причин, то все очевидно. Протечку нужно заделать (или заменить поврежденный элемент на новый), засор устранить, расширительный бак починить (как правило, проблема заключается в разрыве мембраны). Только после этого, если проблемы с распределением теплоносителя все же сохраняются, можно провести балансировку.
Если вы живете во многоквартирном доме, то вопрос, как отбалансировать систему, не стоит. Напротив, своими руками вам туда лезть вообще нельзя, поскольку любые неверные действия негативно скажутся не только на вашей квартире, но и на соседских. Если вы заметили проблемы с отоплением в таком жилище, то обратитесь в управляющую компанию — решение подобных ситуаций находится исключительно в их компетенции.
Что касается частного дома с автономной системой отопления, некоторые хозяева считают, что можно просто регулировать поток теплоносителя в радиаторах с помощью обычных запорных шаровых кранов. На самом деле, это не так.
То есть, если вы откроете такой кран всего наполовину, то объем поступающей жидкости, конечно, снизится, тем самым изменится и температура в помещении. Но вот с запорным оборудованием вскоре возникнут проблемы. Шаровой кран не предназначен для таких манипуляций, его жизненные принципы просты: ему необходимо быть либо полностью открытым, либо полностью закрытым. Любые полумеры ухудшают его работоспособность, а затем и вовсе выводят из строя.
Поэтому балансировку нужно проводить, как говорится, с умом. А о том, как это сделать, расскажем сейчас подробно.
Типы систем отопления
Основными элементами любой отопительной сети являются: теплогенерирующий прибор, магистральный трубопровод, теплоотдающие, компенсационные устройства и устройство, обеспечивающее циркуляцию теплоносителя. Отопительные трубопроводы могут быть различной конфигурации и степени технической оснащенности.

Классифицируют системы отопления по трем параметрам:
- количеству трубных контуров магистрального трубопровода,
- типу компенсационного устройства,
- типу циркуляции.
Одно– и двухтрубные системы
Отопительная система может быть:
- однотрубной или последовательной,
- двухтрубной или параллельной.
В первом случае теплоноситель движется по одному трубному контуру, поочередно проходит через все теплоотдающие приборы, приходя к каждому все более остывшим. Часть магистральной трубы после последнего теплообменника называется обратной трубой или обраткой и служит для отвода холодной рабочей среды обратно к теплогенератору.
В двухтрубной системе энергоноситель циркулирует по двум параллельным контурам: подающему и обратному. Первый контур подает горячий теплоноситель в каждый теплоотдающий прибор, а второй собирает остывшую рабочую среду из теплообменников и отводит ее к отопительному прибору.
Типы циркуляции в системах отопления
Обогрев помещений происходит только в случае, если теплоноситель движется по контуру. Циркуляция бывает или естественной, или принудительной.
В системах с естественной циркуляцией разогретый отопительным прибором энергоноситель разгоняют, чтобы придать ему достаточный для прохождения всего теплового контура импульс. Для этого сразу после теплогенератора монтируют разгонный коллектор – вертикальный участок трубы, при спуске с которого рабочая среда набирает скорость под воздействием силы тяжести.
Типы компенсационных устройств
В зависимости от способа компенсации перепадов давления рабочей среды в контуре, выделяют два типа систем отопления: открытую и закрытую.
В открытой системе давление регулирует компенсационный бак, частично или полностью открытый. При увеличении давления в теплосети избыток рабочей среды поступает в бак, при снижении – уходит обратно в трубопровод.
Рекомендуем ознакомиться: Как выбрать дренажную трубу и избежать ошибок при укладке?
Правила обустройства котельной
Рекомендуется оклеить пол керамической плиткой, а стены выложить из огнеупорного кирпича. Такая мера уменьшит вероятность пожара.
Пол с деревянным или иным горючим покрытием в радиусе 1,2 м от центра топочной дверцы котла защищают настилом из стали толщиной 1,2 мм на теплоизоляционной подложке из асбеста или базальтового картона.
Стены покрывают огнестойкой штукатуркой, например, на основе вермикулита. Толщина слоя – 25 мм.
Между отопителем и стенами выдерживают следующие расстояния:
- со стороны топочной дверцы – 2 м;
- по бокам и сзади – 0,8 м.
В котельной устраивают дежурное и аварийное освещение. На случай разгерметизации контура ее оборудуют подключенным к канализации трапом или приямком глубиной 0,5 м.
Стены котельной желательно выложить из кирпича.
При мощности теплогенератора до 30 кВт дрова и уголь разрешается хранить возле котельной в ящиках из огнеупорного материала. Минимальное расстояние до топки – 1 м.
Выбор составляющих элементов отопительной системы
Собрать отопительную систему без специальных знаний
достаточно сложно. Но реально. Для этого нужно приобрести:
Котел отопления
Сердцевина всей системы, базис – это отопительный котел. Как
уже отмечалось, его тип зависит от типа топлива. Кроме того, нужно правильно
подобрать мощность котла. Эффективность — важный момент, т.к. нужно обогревать
дом без лишних затрат.
Конструкция котлов, работающих на разном топливе,
принципиально не отличается. Каждый из них состоит из двух камер – камеры
сгорания и теплообменника. Первая предназначена для сгорания энергоносителя
(газ, керосин, солярка, дрова, уголь, брикеты), вторая для нагрева
теплоносителя (воды, антифриза).
Совет. На этом этапе нужно решить будет ли котел работать
только на обогрев дома или же обеспечивать пользователей горячей водой. В этом
случае нужно будет установить двухконтурный котел. Или же подключить бойлер к
одноконтурному котлу.
Трубы для отопления частного дома
Назначение труб — перенос тепла от котла к радиаторам в
помещении. Исходя из разных подходов к разводке труб, выделяют три популярные
схемы отопления: однотрубная, двухтрубная и лучевая (коллекторная), принцип
устройства которых описан выше – «водяное отопление дома»
Для разводки используют трубы из разного материала
Металлические трубы (стальные, нержавеющие, оцинкованные, медные)
Стальные трубы почти вытеснили полимерные аналоги. Монтаж
железных труб связан со сваркой, плюс, они подвержены коррозии и менее
долговечны. Конечно, нержавеющие и трубы с оцинкованной поверхностью лишены
таких минусов при условии правильного монтажа (резьбовые соединения). Что
касается медных труб, то они имеют высокие показатели надежности, а также
хорошо переносят высокое давление и температуру. Но, стоимость делает их
малодоступными.
Пластиковые трубы (металлопластиковые, полипропиленовые, полиэтиленовые)
Оптимальный и распространенный вариант. Металлопластиковые трубы
доступны и не требуют особой квалификации для монтажных работ. Соединяются
методом горячего прессования. Главный минус – высокий показатель теплового
расширения.
Радиаторы отопления (батареи)
С учетом популярности и распространенности можно выделить три типа:
традиционные чугунные радиаторы. Отличаются сравнительной
дешевизной, большим внутренним объемом, соответственно, вмещают больше
теплоносителя и хорошо отдают тепло;
конвекторы. Нагревают помещение благодаря проходящему по ним
воздуху, который нагревает отдельные секции.
панельные радиаторы – комбинация двух предыдущих типов.
Расширительный бак
Устанавливается с целью компенсировать расширение теплоносителя.
Выделяют расширительный бак открытого и закрытого типа
(фото).
В первом случае расширительный бак устанавливается в верхней
точке системы. Во втором случае – место установки не имеет определяющего
значения.
Выбор монтажа отопительного котла
Выбор котла также играет ключевую роль. Выбирать приходится среди электрических, газовых котлов, конструкций, работающих на жидком либо на твердом топливе.


Случается, что своими руками делают электрическое отопление. Средств, в данном случае, придётся затратить намного больше, но выгоду усматривают в бесперебойной подаче электроэнергии и в отсутствии необходимости постоянно проводить подачу топлива.
-
Монтаж труб отопления: способы разводки и правила размещения отопительной системы (125 фото)
-
Отопление в двухэтажном доме: проекты, схемы и системы отопления своими руками (125 фото и видео)
-
Самодельные котлы отопления — лучшие проекты и пошаговый мастер-класс постройки отопительных котлов своими руками (135 фото)

Критерии выбора котлов: на что обратить внимание
Главным критерием выбора нагревателя служит вид топлива, на котором котел будет работать. Существует несколько вариантов:
- Газовое оборудование – классический или конденсационный котел.
- Электрическое – ТЭНовый или электродный.
- Твердотопливное – Классический (дрова, уголь, брикеты), пиролизный, котел длительного горения.
- Дизельное – классический, конденсационный (как и газовое).
Газовый котелЭлектрический котелТвердотопливный нагревательДизельное оборудование
Следует четко рассчитать площадь отапливаемых помещений для вычисления необходимой мощности. При большом объеме площадей лучше выбрать котел с двумя контурами – это позволит равномерно распределить нагрузку на нагреватель и в итоге получить равномерное распределение тепла.
Теплоноситель и его свойства
Идеального теплоносителя не существует. У каждого варианта есть допустимый диапазон температурного режима и технические параметры, при нарушении которых можно испортить систему отопления. Замена оборудования будет весьма затратна.
Основные характеристики теплоносителя, которые нужно учитывать при выборе:
- температурный режим;
- вязкость;
- антикоррозийные свойства;
- токсичность при нагревании.
Лучший теплоноситель – это очищенная вода и антифриз.
Основные преимущества антифриза перед водой представлены в таблице. Особенно рекомендовано его применение в домах с сезонным или периодическим проживанием.
| Теплоноситель | t замерзания, °С | Вязкость,мм²/с при 40°С | Пожароопасность, критическая температура, °С |
| Очищенная вода | 0,9 | да | |
| Промышленные масла | -15 (-18) | 10÷40 | 140÷190 |
| Солевые составы | -55 | 1 | нет |
| Спиртовые составы | -40 | 0,7 | да |
| Антифриз | -40 | 3,1 | нет |
На время отъезда его сливать из системы не нужно. По возвращении просто включить котел. Если температура упадет ниже предельной границы, состав превратится в вязкую жидкость – гель, при этом его физические характеристики не изменятся. После того как температура поднимется до требуемой отметки, он снова приобретет жидкую форму с сохранением первоначального объема.
Специальное средство для системы — антифризантифриз для отопления
Несмотря на все достоинства антифриза, многие делают свой выбор в пользу воды. Она безопасна, в ней нет химических примесей, особенно, если вырыта своя скважина. Единственный негативный момент – минеральные соли в составе, которые вызывают коррозию. Для ее предупреждения можно использовать кипяченую или талую воду. Или в качестве альтернативы, применять систему предварительной очистки.
Заполнение антифризом системы отопления







































