Как подготовить технику к весне?
Чтобы техника работала без перебоев в новом сезоне, нужно не только ее было правильно подготовить к холодам, но и правильно запустить для первых работ.
- Первым делом замените топливо на новое. Если даже вы осенью заливали свежее топливо, то за зиму оно могло окислиться и образовать осадок, что может негативно сказаться на работе техники;
- Проверьте свечу зажигания. Она должна быть надежно прикреплена и не должно быть доступа воздуха;
- Топливный кран нужно поставить в режим «Открыто»;
- Рычаг воздушной заслонки должен находиться в положении «Закрыто» до тех пор, пока мотор не нагреется;
- Рычаг настройки оборотов вам нужно повернуть на 13 в состояние «Открыто»;
- Как завести мотор? Включите зажигание, чтобы запустить двигатель;
- Ручку стартера необходимо потянуть до появления сопротивления, а затем движение сделать более резким. Если вы после первого запуска увидели дым, то не пугайтесь — это сгорает старое масло.
Многие владельцы также задаются вопросом о том, убирать ли колеса мотоблока на зиму? Если у вас металлические грунтозацепы, то их нужно очистить от грязи и просушить. Если же колеса резиновые, то следуйте рекомендациям, указанным в инструкции по эксплуатации.
Как сделать грунтозацепы для мотоблока своими руками?
С учетом высокой стоимости на некоторые модели грунтозацепов, многие владельцы мотоблоков предпочитают изготавливать приспособления для сельскохозяйственных машин своими руками. В этом нет ничего странного, ведь самодельные конструкции по качеству, эффективности и долговечности практически ничем не отличаются от грунтозацепов, имеющихся в продаже на прилавках магазинов.
Прежде, чем сделать грунтозацепы своими руками на мотоблок, советуем внимательно изучить чертежи. Они дадут понятие о том, как располагать и крепить детали в конструкции.
Самым простым способом станет изготовление грунтозацепов из автомобильных дисков от машин отечественной марки ВАЗ. Порядок работ, в таком случае, будет следующим:
- Для начала нужно приварить к внешней поверхности жигулевских дисков по одной металлической пластине;
- Далее начните изготовление зубьев. Для этого возьмите сталь нужной толщины и вырежьте заготовки подходящих размеров. Длина зубцов варьируется в зависимости от класса мотоблока – для тяжелых агрегатов подойдут зубцы, длиной около 15 см, для средних – 10, и для легких – примерно 5 см;
- Изготовленные зубцы приварите по окружности обода, соблюдая между ними дистанцию в 15 см;
- Более детально об изготовлении грунтозацепов для мотоблока расскажет видео.
Изготовленные таким образом простейшие железные колеса для мотоблока помогут быстро убрать крупные сорняки и сделают ваш мотоблок гораздо более проходимым в условиях рыхлого и влажного грунта.
Оптимальные размеры
Ни для кого не секрет, что тяжёлая техника обрабатывает землю лучше лёгкой. Этому свидетельствует тот факт, что люди начали интересоваться вопросом, как сделать грунтозацепы для автомобиля своими руками. Таким оборудованием можно обрабатывать даже жёсткий грунт, с которым лёгкий трактор справляется не очень эффективно. Для таких агрегатов и требуются большие грунтозацепы. Если обобщить, то параметры конструкции будут зависеть от размеров мотоблока.
Таким образом, можно выделить следующие популярные мотоблоки:
«Нева». Распространёнными являются мотоблоки, которые приспосабливаются к любым условиям. Но в том случае, когда в хозяйстве уже есть трактор «Нева», который по своим характеристикам не считается универсальным, можно сделать грунторезы самостоятельно. Нужно учитывать то, что диаметр приспособления не должен быть больше 36 сантиметров, а ширина не больше 11.МТЗ. Даже несмотря на то, что такие агрегаты белорусские, цена на них из-за высочайшего качества немала. Можно ориентироваться на цену 5000 рублей и более. Суть в том, что колёса у этих моделей мотоблоков довольно крупные. Чтобы сделать качественные грунтозацепы, необходимо большие трудозатраты
Важно, чтобы размеры были подобраны правильно, а треугольные пластины, которые зацепляются за грунт, были тщательно приварены к основному колесу грунтозацепа.«Салют». Собирается такое приспособление по схеме «Невы».«Кентавр». Колёса в таком аппарате чем-то похожи на «Неву»
Но у первой машины длина колёс на 11 сантиметров больше. Если к «Кентавру» изготавливать грунтозацеп, то его длина должна составлять 450 миллиметров, а ширина 110. Он может подойти и к другим моделям мотоблоков, в том числе и других производителей
Колёса в таком аппарате чем-то похожи на «Неву». Но у первой машины длина колёс на 11 сантиметров больше. Если к «Кентавру» изготавливать грунтозацеп, то его длина должна составлять 450 миллиметров, а ширина 110. Он может подойти и к другим моделям мотоблоков, в том числе и других производителей.








Также полезным будет сделать удлинитель для грунтозацепов. Они предназначены для увеличения угла поворота конструкции и ширины калии и противовеса. Для этого необходимо прикрепить на ступицу втулку с прорезью. В такую втулку вставляется дополнительная ось, которая закрепляется болтом. В завершение нужно закрепить колесо грунтореза на оси.
Таким образом, есть множество вариантов сделать грунторезы своими руками без особых трудозатрат и опустошения кармана на дорогие заводские модели.
Грунтозацепы к мотоблокам Салют
Мотоблоки Салют позволяют выполнять довольно много видов работ на земельном участке, благодаря совместимости с самым разным навесным оборудованием. Благодаря этому, множество задач по обработке земли упрощается, требует гораздо меньше сил и времени, чем при обработке вручную. В частности, у такой категории, как грунтозацепы, применяемость — выкапывание, окучивание, вспашка. Этот вид оборудования для мотоблока Салют занимает отдельное место среди дополнений к агрегату, поскольку повышает его универсальность.
Стоит отдельно сказать о популярном среди фермеров мотоблоке Салют 100, о грунтозацепах к которому, в том числе, далее и пойдет речь.
Эта модель бренда Салют представляет собой усовершенствованное устройство, в котором производитель собрал все преимущества его «собратьев», разработанных ранее. При этом учтены и доработаны все недочеты предыдущих агрегатов модельного ряда Салют. В мотоблоке Салют 100 центр тяжести перенесен на переднюю часть агрегата, за счет чего повысилась его устойчивость и минимизирован риск, что он будет опрокидываться при работе по возделыванию грунта.
В этом видео вы узнаете о плюсах и минусах грунтозацепа:
Более удобно стал располагаться рычаг переключения скоростей — в модели Салют 100 он находится уже не на редукторе, а на рукоятке управления. Кроме того, агрегат легко демонтируется, благодаря чему его очень просто транспортировать в легковом автомобиле и собирать по мере надобности.
Мотоблок Салют 100 укомплектован четырехтактным бензиновым двигателем и обладает мощностью около 7,5 лошадиных сил. Расход топлива составляет полтора литра бензина на один час непрерывной работы, что можно назвать довольно экономичным показателем. А при установке необходимого навесного оборудования функциональность агрегата еще больше увеличивается.
Грунтозацепы необходимы в первую очередь при вспашке грунта, поскольку существенно облегчают эту задачу. Выглядит это оборудование как большие металлические колеса, по окружности которых размещены угловидные шипы. Этими шипами грунтозацепы входят в почву, облегчая работу всего агрегата. Благодаря этому навесному оборудованию, можно регулировать расстояние между бороздами. Используются грунтозацепы вместе с таким оборудованием, как плуг, окучник, картофелекопатель.
Важно! В зависимости от того, для каких работ используются грунтозацепы, их диаметр может существенно различаться
Подготовка мотоблока к зиме – о чем следует позаботиться?
Правильная консервация мотоблока на зиму – это важная тема, позволяющая, если не продлить, то хотя бы сохранить рабочий ресурс используемого в хозяйстве агрегата. Сама по себе подготовка сельскохозяйственной машины – процедура не сложная. Достаточно изучить ряд правил и советов, которые помогут сохранить мотоблок и без проблем завести его после зимовки.
Отправляя агрегат на зимнее хранение, потребуется:
- полностью заменить масла, имеющиеся в моторе и редукторе агрегата. Для этого в соответствующие баки на зиму потребуется залить новое смазочное средство, или, в крайнем случае, отфильтровать старое, убедившись, что в нем нет никакого осадка. В любом случае с наступлением весны масла потребуется заменить;
- промыть все имеющиеся в конструкции мотоблока фильтры. Если агрегат оснащен фильтрами, помещенными в масляную ванну, то в них потребуется залить свежее моторное масло;

многие опытные фермеры рекомендуют перед зимним хранением выкрутить свечи зажигания мотоблока, после чего залить в рабочий цилиндр не более 20 мл моторного масла, и вручную прокрутить коленчатый вал агрегата, выполнив буквально несколько оборотов;
мотоблок на зиму обязательно нужно вымыть от грязи, не пропуская детали, расположенные в труднодоступных местах. После мойки на кузов и запчасти агрегата потребуется нанести толстый слой масла, которое поможет исключить образование коррозии;
по возможности, вместо масла на детали мотоблока можно нанести специальную полироль с защитной функцией – она образует на поверхности металла прочную пленку, которая предотвратит гниение металла зимой
При этом очень важно наносить средство на чистую поверхность, так как в противном случае оно не защитит металлические детали мотоблока;
все колпачки свечей и электрические разъемы агрегата на зиму нужно смазать силиконовой смазкой в виде спрея – она эффективно защитит их воздействия различных факторов окружающей среды;
если в конструкции мотоблока предусмотрен электрический стартер, то на время хранения его зимой лучше всего снять с агрегата аккумулятор, и перенести его в сухое и теплое помещение. Во время хранения аккумулятор потребуется несколько раз полностью зарядить;

с целью исключить западание колец в цилиндры зимой, потребуется несколько раз в месяц открывать кран подачи топлива мотоблока и 3–4 раза дергать за ручку стартера.
Придерживаясь этих несложных правил, фермер обеспечит оптимальные условия для хранения мотоблока зимой. С наступлением весны агрегат можно вывести из помещение, заменить масла, и начать эксплуатацию агрегата.
Ножевые грунтозацепы
В случае когда цепкость колёс важнее то помогут ножевые грунтозацепы. Проще будет наварить ножевые зацепы на колёсные диски. Но более прочный и надёжный вариант сделать самодельный обод самому. Для этого понадобится нужный вам размер (диаметр и ширина). Из материалов:
- Старый газовый баллон.
- Ножевые грунтозацепы.
- Распиленный диск от «Жигуля» с отверстиями для втулки, которые соединяется с редуктором.
Приступим к работе. Вырезаем из баллона 4 полоски по 30 сантиметров длинной и 5–8 сантиметров в ширину. После подгибаем полоски под обод и свариваем на месте стыка сняв с диска. Когда 2 полоски превратились в кольцо одно кольцо привариваем к диску. После к другому кольцу привариваем концы ножевых грунтозацепов на равном расстоянии. Следующим действием другие концы привариваем к другому кольцу. Такую операцию повторить нужно с оставшимися материалами. Единственный недостаток таких мощных грунтозацепов — они будут вспахивать землю, хотя это можно использовать как плюс в своих целях.
Грунтозацепы к мотоблоку – это полезные приспособления, позволяющие очистить территорию под посев от сорняков и, при этом, повысить устойчивость сельскохозяйственной машины на рыхлой почве. Сегодня эти простые изделия заслужили большую популярность не только среди владельцев крупных хозяйств, но и среди дачников, в распоряжении которых имеются небольшие земельные участки.
Самостоятельное изготовление
Для того чтобы сделать грунтозацепы к мотоблоку, в первую очередь требуется найти чертежи, которые будут ориентиром в процессе работ. Проще всего изготовить самодельные грунтозацепы из дисков от автомобиля. При помощи аппарата для сварки на них закрепляют металлическую полосу, на которой в дальнейшем крепятся пластины-грунтозацепы.
Далее, для того чтобы сделать грунтозацепы, необходимо изготовить зубья, для которых используют стальную пластину достаточной толщины. Длина зубьев выбирается в зависимости от модели мотоблока, а прикрепляются они по ободу с шагом в 15-17см. Такие грунтозацепы для мотоблока отлично справляются со своими функциями и при качественном изготовлении не разочаровывают своих владельцев.
Другой способ сделать самостоятельно грунтозацепы для мотоблока – это использовать отработанный газовый баллон. В этом случае из него необходимо вырезать два диска, которые станут ободами, ширина которых должна быть от 6 до 10см. Высота их будет 30см. Далее на них, так же как и в случае с автомобильными дисками, устанавливается металлическая пластина, к которой монтируются зубья. Длина их не должна составлять менее 15см. При необходимости ее можно увеличивать на свое усмотрение, но главное – не перестараться.

Кроме приведенных тут двух самых распространенных способов изготовления грунтозацепов существуют и многие другие, которые очень схожи с ними по своему принципу и отличаются только материалом, из которого будет изготовлен обод. Тут главное, чтобы предмет, из которого будет сделано такое навесное оборудование, был достаточного диаметра и требуемой прочности.
Эксплуатируя грунтозацепы для мотоблока, нельзя забывать, что предназначены они исключительно для грунта. Использовать такое оборудование для передвижения по жесткой поверхности, такой как камень, асфальт или бетон, недопустимо. Это непременно приведет к порче навесного оборудования и может повредить дорожное покрытие. Кроме того, если применяются железные колеса, оператору стоит быть более аккуратным при работе, чтобы избежать травмирования ног.
Грамотно выбрав или изготовив грунтозацепы, можно значительно увеличить проходимость и функциональность своего мотоблока, тем самым значительно облегчив тяжелый труд.
Как завести мотоблок зимой?

Мотоблоки — это универсальная техника, которая даже зимой может активно использоваться. С ее помощью, а точнее с помощью такого навесного оборудования, как снегоуборщик, вы сможете расчищать снег на своем приусадебном участке. Но тут могут возникнуть некоторые сложности с запуском двигателя при низких температурах окружающей среды, но выход есть всегда.
Предлагаем вам некоторые советы, которые помогут активно использовать мотоблок зимой:
- Современные модели данной техники выпускается с воздушным охлаждением. Это значительно упрощает процесс эксплуатации при минусовой температуре — вам не нужно добавлять антифризы и постоянно следить за работой радиатора, в котором водяной тип охлаждения. Однако здесь есть и минус — зимой двигатель будет быстрее остывать;
- В продаже можно найти специальные утеплительные чехлы для агрегата, которые защищают двигатель от быстрого остывания, но встречаются они крайне редко. Можно обойтись и подручными материалами, но при этом внимательно следите за тем, чтобы утеплитель не попал в механизмы и не повредил системе;
- Чтобы завести двигатель зимой порой нужно его подготовить, а именно — предварительно нагреть. Для этого сам двигатель нужно поливать горячей водой, чтобы он достиг состояния для нормального запуска;
- Не забудьте и про масло в редукторе. Как известно, оно загустевает при минусовой температуре. Здесь есть два выхода: использовать синтетические виды, которые лучше сохраняют свои свойства зимой, или использовать более жидкое.
Если вы будете придерживаться этих рекомендаций, то завести мотоблок зимой не составит большого труда. Предлагаем вам видео, где будет рассказано о том, как завести агрегат во время холодов.
Простейшие зацепы
Для изготовления нужно следующее:
- Лист стальной толщиной 4−5мм для дисков колесных.
- Лист стальной толщиной 6−8мм для зацепов.
- Сварочный аппарат.
- Болгарка.
- Сверлильный станок или мощная дрель.
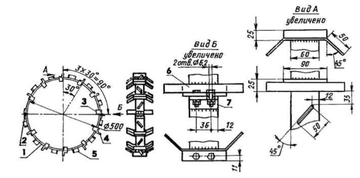
Из листа более тонкого вырезаются два одинаковых диска. В центре проделывается отверстие для ступицы и крепления на шпильки колеса. По внешнему краю нарезаются пилообразные выступы 10-сантиметровой глубины. Из толстого листа вырезаются треугольные зацепы с обрезанными углами. Они привариваются строго перпендикулярно к пилообразным вырезам.
Несмотря на неказистость самодельные зацепы, изготовленные этим способом, имеют серьезное преимущество — достаточно тяжелые, чтобы обеспечить прочное сцепление даже с раскисшей или рыхлой поверхностью. О передвижении по грунтовке и речи быть не может, такие колеса предназначены лишь для работы в поле.
Другой экономный вариант — изготовление из стального круга Ø15мм. Может быть использован штурвал от задвижки на магистральном газопроводе, если найдется пара. Зацепы привариваются на внешний обод, в центре крепится ступица.
Для следующей конструкции понадобятся автомобильные диски. Такой вариант изготовления для самодельного мотоблока является оптимальным. При проектировании предусматриваются стандартные колесные ступицы от авто, и приобретается весь комплект из четырех колесных дисков. На одну пару устанавливаются шины, а вторая нужна для тяжелой почвы.
Берется стальной уголок 50−60 мм, режется на части, которые несколько шире дисков. Посередине одной стороны болгаркой выпиливается треугольный сектор 60°.
Уголок греется газовой горелкой и сгибается по вырезу. Место стыковки можно немного прихватить с помощью сварки, чтобы обеспечить дополнительную жесткость. Полученные заготовки привариваются на внешнюю сторону диска, выдерживается равное расстояние.
Сборка повторяется на втором диске, не забывайте об одинаковом расстоянии между уголками. Теперь можете быстро менять резиновые колеса на стальные зацепы, и проблем с посадочным местом не будет, ведь диски одинаковые.
Конструкция из колесных дисков может быть упрощена. Для этого срезается горизонтальная часть (обод), и навариваются стальные пластины. Данный вариант подходит для частой смены колес на ступице одного типа. Диски подбираются соответствующие.
Как правильно выбрать грунтозацепы для мотоблока?
От того, насколько правильно будут подобраны грунтозацепы, зависит не только эффективность их применения, но и легкость передвижения мотоблока
При покупке приспособлений следует обращать внимание на такие факторы:

- Размеры грунтозацепов – подходящие габариты изделий напрямую зависят от класса сельскохозяйственной машины. Для тяжелых мотоблоков выбирайте изделия, диаметром примерно 70 см. Средние и легкие агрегаты можно комплектовать грунтозацепами, диаметром около 25–40 см;
- Тип почвы, которую нужно обрабатывать – наиболее универсальными считаются грунтозацепы, к которыми приварены стрелообразные шипы. Их сцепляющая часть имеет форму углов, благодаря чему они показывают отличную сцепку даже с очень рыхлым грунтом;
- Возможность монтажа утяжелителей – для эксплуатации на рыхлой почве некоторые производители грунтозацепов предусматривают возможность монтажа дополнительных утяжелителей, которые делают применение изделий более эффективным, особенно, при работе с легкими мотоблоками. Как правило, утяжелители имеют вид прочных металлических емкостей, которые можно заполнить камнями, песком или любым другим подручным материалом, после чего установить на грунтозацепы.
При покупке грунтозацепов обязательно учитывайте каждый из перечисленных факторов. Так вам будет гораздо легче выбрать наиболее эффективные приспособления для монтажа на мотоблок.
«Промстроп»
Компания «Пром-Строп» из Ярославля открывает первую тройку топ-рейтинга лучших производителей браслетов противоскольжения. Фирма занимается поставками грузоподъемного оборудования и автоаксессуаров с 2007 года. В каталоге – несколько десятков моделей цепей и браслетов для грузового и легкового транспорта.
«Промстроп»
Лентоцепные варианты предназначены для колес с дисками от R14 до R21. Имеют ширину строп 35 и 50 мм, толщина звеньев – 6 и 8 мм.
Цены стартуют от 1300 рублей за пару. Отзывы владельцев авто положительные. Браслеты противоскольжения реально помогают при преодолении скользких участков дороги, неглубоких ям и колеи. На тяжелом бездорожье лучше пользоваться цепями.
Как сделать грунтозацепы для мотоблока своими руками?

Высокая цена на отдельные модели грунтозацепов провоцирует многих фермеров делать их самостоятельно. Грамотно изготовленные самодельные изделия качественны, эффективны и долговечны, потому практически не уступают готовым приобретённым.
Грунтозацепы своими руками на мотоблок можно сделать после того, как тщательно изучены чертежи. В них указана подробная информация о расположении и креплении конструкционных запчастей.

Проще всего изготовить грунтозацепы из автомобильных дисков. Работы выполняются в таком порядке:
- К внешней поверхности жигулёвских дисков привариваются пластины с метала;
- Изготавливаются зубья. Из стали вырезаются соответствующие заготовки. По длине зубцы должны быть в пределах 15 сантиметров для тяжёлых, 10 сантиметров для средних и 5 сантиметров для лёгких по весу мотоблоков;
- Зубцы привариваются по кругу обода с интервалом в пятнадцать сантиметров.
С подробной инструкцией к изготовлению можно ознакомиться на видео.
https://youtube.com/watch?v=J2oasuNqFwU
Такие простые железные колеса для мотоблока быстро справятся с удалением крупных зарослей, сделают агрегат больше проходимым вне зависимости от влажности почвы.
Как правильно выбрать грунтозацепы для мотоблока?

Правильный выбор грунтозацепов – залог их успешной эксплуатации и функциональности самого культиватора.
Он должен основываться на нескольких критериях:
размер – считается, что грунтозацепы на мотоблок подобраны верно, если после установки они не соприкасаются с кузовной частью
Важно учитывать силовой класс культивирующего устройства: для мотоблоков тяжелой серии, вес которых превышает 200 кг, рекомендуется использовать широкие грунтозацепы (d=0,7 м); средние и легкие культиваторы надежнее всего функционируют с менее габаритными металлическими колесами – с диаметром не больше 0,3-0,4 м;
характер поверхности грунтозацепов и тип почвы (ее влагоемкость, сыпучесть, рыхлость), которую предполагают обрабатывать. Внешняя сторона грунтозацепов может быть изготовлена в виде:
- шипов, которые представляют собой равномерно распределенные пластинки приваренной арматуры различной высоты. Согласно отзывам потребителей, грунтозацепы для мотоблока с невысокими шипами (в р-не 2 см) с трудом эксплуатируются на влажных рыхлых почвах. Поэтому для черноземов лучше выбирать большую шиповку, которая не будет забиваться и не снизит тягу агрегата. На песчаных массивах, в которых влага долго не задерживается, этим критерием можно слегка пренебречь и руководствоваться только своими личными соображениями и бюджетом;
- стрелок – их сцепляющая часть имеет угловатую форму. Стрелообразные грунтозацепы – самый популярный вариант оснастки, которая подходит к любому типу грунта и для любых нагрузок;
бренд и модификация мотокультиватора – самый надежный критерий, следуя которому сложно ошибиться. Грунтозацепы к определенной модели культиватора идеально адаптированы под его технические характеристики и чаще всего продаются в паре со ступицами;
цена – зависит от фирмы-производителя и универсальности
Приобретая грунтозацепы для легкого почвообработщика, важно понимать, что придется раскошелиться на вспомогательные элементы – утяжелители, без которых техника будет пробуксовывать на тяжелых грунтах.
Один из способов сэкономить на приобретении грунтозацепов и обзавестись верными помощниками для агротехнических нужд, является создание металлических колес для мотоблока своими руками.
Как выбирать?
При выборе подходящей модели в первую очередь следует обратить внимание на марку мотоблока. Для модельного ряда «Нева и «Нева МБ» отлично подходят вариации 43-сантиметрового диаметра, глубина погружения шипов в землю которых составляет 15 см
Для мотоблоков марки «Салют» нужны грунтозацепы полуметрового диаметра, у которых глубина погружения в почву составит не меньше 20 см. Для «Зубра» нужны высокие изделия – 70-сантиметрового диаметра.
Грунтозацепы не требуются лишь тяжелым мотоблочным агрегатам, их масса гарантирует им устойчивое перемещение практически по любой поверхности. Но в случае если вы решили улучшить проходимость своей тяжелой модели мотоблока (массой выше 0,2 тонны), выбирайте широкие грунтозацепные устройства – диаметром 70 см.

Выбор подходящей модели грунтозацепов зависит также от вида почвы и характера внешней стороны изделий. Поверхность их может быть оформлена в виде шипов или стрелок. Учитывайте при приобретении изделий, что малая высота шипов не подходит для влажных и рыхлых земель – они малоэффективны и легко забиваются почвой. Стреловидные зацепы наиболее популярны и считаются универсальными.
При приобретении дополнительного оборудования для своего агрегата в первую очередь рассмотрите варианты того же производителя.
Обратите внимание и на стоимость – она зависит от завода-изготовителя и модификации

Общая информация
- По конструкции данные приспособления представляют собой колеса с шипами. Сегодня есть множество разнообразных трансформаций устройств, и выбирать их следует грамотно. В большей степени качество работы определяет вес агрегата. Наиболее функциональные навесы можно повесить лишь на тяжелые мотоблоки или агрегаты среднего веса. Если качественный, агрегат не дает должного результата, нужно дополнительно приобрести к нему колеса с грунтозацепами.
- Стандартные приспособления — это металлические колеса с шипами, вгрызающиеся в грунт и сцепляющие с ним мотоблок. Чтобы изготовить приспособления собственноручно, понадобится знать их устройство, в чем серьезно помогут чертежи и схемы. Потребуется определить диаметр навеса, выбрать материал изготовления, и, разумеется, подобрать необходимые инструменты. Первое, что понадобится, это сварочный аппарат и болгарка.
- Первым делом определяемся с размером приспособлений. Их высота и ширина зависят от задач, с целью выполнения которых зацепы монтируются на мотоблок. Также нужно учесть требования к массе приспособлений, ведь колеса с ними одеваются для улучшения сцепки мотоблока с грунтом. Для этого нужны колеса солидного веса, чего может не хватать мотоблоку. Минимальный вес колес составляет 20 кг. При необходимости на зацепы грунта вешаются утяжелители. Это нужно для достижения лучших результатов, либо используется в том случае, когда вес не дотягивает до нормы.
На что обратить внимание при выборе
Выбирая лучшие грязевые шины для внедорожников, рекомендуется отдавать предпочтение покрышкам:
- с крупными шашками – они предотвращают воздействие камней и других включений грунта на кордовую часть;
- со скошенными углублениями, если выбираются покрышки с мягкой резиной для прохождения грязи, песка, болота – это создает условия для самоочищения.
Тракторные покрышки в качестве грязевых шин не используют, потому что они слишком тяжелые и жесткие даже в приспущенном состоянии. Они не подходят для мягкого грунта. К тому же, такие шины камерные, а это значит, что проколов не избежать.
Самостоятельное изготовление зацепов
- Проще всего, пожалуй, сделать грунтозацепы из ненужных дисков от автомобильных колес. С помощью сварочного аппарата к дискам прикрепляется полуось, на которую затем надеваются подшипники. К автомобильным дискам привариваются квадратные металлические пластины, таким образом, чтоб они касались краями обода.
- Потом пластины привинчиваются болтами к ободу. Дальше делаются зубья — стальные зацепы, которые будут входить в грунт. Для этой цели понадобится стальная пластина, к примеру, уголок, который разрезается болгаркой на части, а из этих частей свариваются такие же зубья, которые изготавливаются в заводских условиях. Полученные зацепы размещаются на обод колеса в 15 см друг от друга.
- Самодельные зацепы могут быть сделаны из старого газового баллона. Из него вырезаются два диска для ободьев колес шириной 5−7см и высотой 30 см. Далее производятся те же операции, что и с автомобильными дисками.
- Для улучшения работы колес с зацепами к каждому зацепу можно приварить еще один зуб сверху и удлинить зубья до 60 см. Делается ось: к одному ободу крепится металлическая пластина, на которой будет размещаться эта ось.
- Грунтозацепы могут быть сделаны из любой заготовки круглой формы. Главное, правильно подобрать ширину и диаметр будущего колеса с зацепами. Размеры колеса определяются функционально, то есть исходя из целей использования на мотоблоке.
Для «Невы»
Мотоблок каждой марки имеет навесные опции, более других подходящие к его конструкции. Лучше, конечно, приобретать универсальный мотоблок, для которого подходят практически все навесы. Для «Невы» производятся колеса с грунтозацепами Ø 340×110 .
По конструкции данные грунтозацепы немного больше описанных нами самодельных. Нужно соблюдать инструкции, указанные выше, но выбрать ободья других размеров. Высота колеса для зацепа «Невы» должна составлять 340 мм, ширина самодельного приспособления — 110 мм.
Для «Кентавра»
Грунтозацепы для мотоблока этой марки отличаются лишь размерами. Выше были описаны размеры, на которые нужно было ориентироваться, переделывая старые колеса в грунтозацепы для «Невы». Та же схема используется для изготовления колес с зацепами больших размеров. Высота колеса выбирается 450 мм. Ширина колеса должна равняться 110 мм, как и для «Невы». Такие зацепы подойдут для мотоблока Кентавр 2060 и 2090 и агрегатов с аналогичными параметрами. Заводской вариант обойдется примерно в $30.
Для «Зубра»
Мотоблок этой марки представляет собой тяжелое профессиональное оборудование, и на него может быть установлено лучшее из имеющегося навесного оборудования. Чтоб «Зубр» отлично заходил в грунт, к нему нужны грунтозацепы. Стандартные приспособления, которые к нему подходят, имеют шину 200 мм и высоту 700 мм. Колеса такой ширины одеваются лишь на тяжелые мотоблоки и, кроме «Зубра» JRQ78 и 79, подходят также «Кентавру» 1070D, «Авроре» 101 и «Авроре» 81, Zirka LX1080D и 1090. В заводском исполнении расстояние между зацепами составляет 14,5 см. Втулка колес имеет диаметр 60 мм. На мотоблок одеваются с помощью дополнительной ступицы.
Как сделать или выбрать грунтозацепы для мотоблока
Работа на земле – это очень рутинный и очень тяжкий физически труд. Заниматься идентичной деятельностью способен редчайший человек, в особенности в современном потребительском мире, где кто нацелен на приобретение благ. Сейчас, в течении последних десятилетия очень возросла технологическая внутренность различных сфер деятельности человека. В конечном итоге } миф прогресс умеренно одолевает и с/х создание, что приводит к усовершенствованию различных процессов. К этому пришла и работа на земле. Некие процедуры земледельцы стараются использовать маленькое количество ручной работы. Это ускоряет процесс и позволяет физически разгрузить человека.
READ Регулировка Карбюратора Мотоблока Каскад Видео
В итоге 1-го из таких разветвлений прогресса и появился мотоблок. Это устройство может практически все, в особенности если оно обустроено необходимым навесным оборудованием. Основной его функцией является обработка земли. Он призван вспахивать почву, выращивать (садить и собирать) картофель. Для этой цели требуется только различное оборудование подвесное.
Виды грунтозацепов
Сегодня для мотоблоков используют колесные грунтозацепы. Их легко крепить и использовать по назначению. Они делятся на два типа:
- Один или несколько сваренных ободов, у которых есть угловые шипы и пластины для рыхления земли. Такие модели необходимо использовать вместо штатных колес на мотоблоке. Функциональность довольно высокая, но многие пользователи жалуются, что процесс замены колес довольно длительный.
- Металлические насадки, которые крепятся поверх колес мотоблока. Довольно редко используется, так как требуются дополнительные утяжелители для качественного рыхления грунта.
Также грунтозацепы отличаются видом, не только типом:
- двухполозные, которые являются наиболее миниатюрными;
- трехполозные применяются для тяжелых мотоблоков с повышенной мощностью;
- сплошные можно применять на колеса, ширина которых не более 13 см.
Также требуется предусмотреть высоту изделия при покупке.






































