Маршевая лестница, особенности расчета параметров
Деревянные лестницы на второй этаж могут быть маршевые и винтовые. Для постройки лестницы на второй этаж своими руками наиболее легкими считаются маршевые. Они могут иметь один и более пролетов в зависимости от специфики постройки и общего замысла. Для расчета всех параметров можно воспользоваться общепринятыми правилами. В нашей статье “ Строим лестницу на 2-й этаж с поворотом ” вы можете детальнее разобраться в вопросе создания лестницы с несколькими пролетами.
Чтобы сделать деревянную лестницу своими руками, и чтобы эта лестница эксплуатировалась долго и не вызывала нареканий, необходимо на этапе проектирования учесть следующие параметры:
- Угол наклона лестничного марша необходимо сделать в пределах 30-45°, что отвечает требованиям безопасности и эргономики. Конструкция более 45° будет неудобна для переноски тяжелых вещей и для подъема людей, особенно с ограниченными возможностями. Если сделать меньше 30°, то длина пролета увеличится и конструкция будет занимать больше места.
- Ширина не должна создавать дискомфорт во время подъема или спуска по лестнице. Оптимальная ширина будет около 1 метра.
- Проступь должна иметь глубину 25-30 см, подступенок (при необходимости его установки) должен быть высотой 15-20 см.
- Если количество ступенек в лестничном марше превышает 18 штук, рекомендуется сделать промежуточные площадки.
- Количество ступеней. Длину лестничного марша делим на высоту ступени. Высота ступени складывается из высоты подступенка (15-20 см) и толщины проступи.
- Длина лестничного марша. Для расчета необходимо взять точки начала и окончания лестничного пролета по уровню перекрытий с первого на второй этаж. Имея высоту и ширину, по формуле расчета гипотенузы прямоугольного треугольника, рассчитываем длину лестничного пролета. При этом надо учитывать безопасный угол наклона от 30° до 45°.
- Высота пролетов должна соответствовать росту человека плюс 20 см, чтобы не наклоняться и не травмироваться о верхний лестничный марш или потолок. Оптимальной высота между ступенями и потолком составляет 2 метра. Расчет начинается с замера высоты между этажами и размеров лестничного проема.
Как сделать лестницу своими руками. Выбираем материалы
Основные этапы изготовления лестницы
Рассмотрим основные принципы изготовления лестницы на примере деревянной конструкции на косоурах. Прежде чем начать проектирование, необходимо уяснить, что любые, даже незначительные ошибки и неточности в расчетах могут привести к серьезным проблемам, которые возникнут при монтаже, поэтому к каждому этапу следует относиться крайне внимательно. Наша будущая лестница будет состоять из трех основных элементов: ступеней, поручней и косоуров. На начальном этапе проектирования нужно выполнить все необходимые расчеты конструкции.
Расчет ширины и высоты ступеней
Для расчетов размеров ступеней обычно используют формулу 2А + Б = 64см, где А — это ширина, а Б — высота. Типичная высота ступеней составляет от 140 до 170мм. Измеряем высоту будущей лестницы и делим на предполагаемое значение высоты ступеней.
Предположим, она составляет 240см, а желаемая высота ступеней — 17см. Делим полученное значение на высоту ступеней 240/16=15 и округляем результат до целой части, следовательно, наша будущая лестница будет состоять из 15 ступеней. Теперь определяем точную высоту ступеней, для этого делим высоту всей лестницы на количество ступеней: 240/15=16см. Ширину находим по формуле, используя значение высоты, получаем 24см. Можно также воспользоваться таблицей.
Выступ (часть ступени, нависающая над подступенком) должен быть не более 3-4см. Чем больше высота подступенка, тем уже сама ступень, однако ее ширина не должна быть меньше высоты. Наиболее оптимальная ширина ступеней должна соответствовать сорок второму размеру обуви (29-30см.)
При расчете лестницы также необходимо учесть расстояние между ступеньками и расположенными над ними объектами (потолком, балками, балконами и т.д.). Она должна быть не менее 1.9-2 метров.
Горизонтальный размер лестницы определяется следующим образом: ширина ступеней умножается на их количество, при этом следует учесть, что в качестве первой ступени служит поверхность пола, поэтому в нашем случае расчет будет выглядеть следующим образом: 13×24=312см.
Если высота лестницы получается достаточно большой, вы можете сделать площадку. Такие площадки рекомендуется делать через 7-8 ступеней. В том случае, когда необходимо спроектировать лестницу с определенным количеством ступеней, можно уменьшить их высоту для того, чтобы сделать площадку.
Изготовление косоуров
В качестве материала для изготовления косоуров можно использовать сосновую доску шириной 40мм. Изготовьте лекало, точно повторяющее размеры профиля ступеней и нанесите разметку на приготовленные доски. Затем выпилите зубцы при помощи ножовки или электрического лобзика. В тех местах, где подступник стыкуется со ступенью, необходимо срезать угол. Сделав один косоур, можно использовать его в качестве шаблона для остальных. Поскольку от косоуров зависит прочность, безопасность и долговечность лестницы, не стоит экономить на их количестве, а также на качестве материала, из которого они изготовлены. Доски должны быть без сучков и каких-либо признаков деятельности насекомых. Продумайте способ крепления косоуров. Для достижения необходимой прочности, как правило, достаточно 3-4 косоуров.
Монтаж ступеней и перил при изготовлении деревянных лестниц своими руками
Ступени могут крепиться как непосредственно к косоурам, так и при помощи дополнительных деревянных элементов — кобылок. Отмерьте и вырежьте из дерева необходимое количество ступеней и подступенек, при этом не забудьте учесть выступ. Ступени крепятся при помощи гвоздей или саморезов.
Конструкция с использованием треугольных кобылок является более надежной. Кобылки крепятся с использованием шкантов, для которых предварительно делаются пазы. Наиболее прочная конструкция получается с использованием кобылок сложной формы, при этом на косоурах делается специальный вырез. Соединение элементов лестницы осуществляется при помощи клея и саморезов.
После того как ступени готовы, к ним можно прикрутить балясины перил. Для того чтобы защитить дерево от влияния разрушающих факторов (сырости, плесени вредных насекомых), на него необходимо нанести лакокрасочное покрытие.
Сделать деревянную лестницу своими руками в принципе не так уж и сложно. Все, что вам для этого понадобится, — это качественная древесина, необходимый инструмент и немного терпения. Перед тем как приступить к работе, тщательно продумайте все нюансы будущей конструкции и несколько раз проверьте предварительные расчеты.
Винтовая лестница своими руками
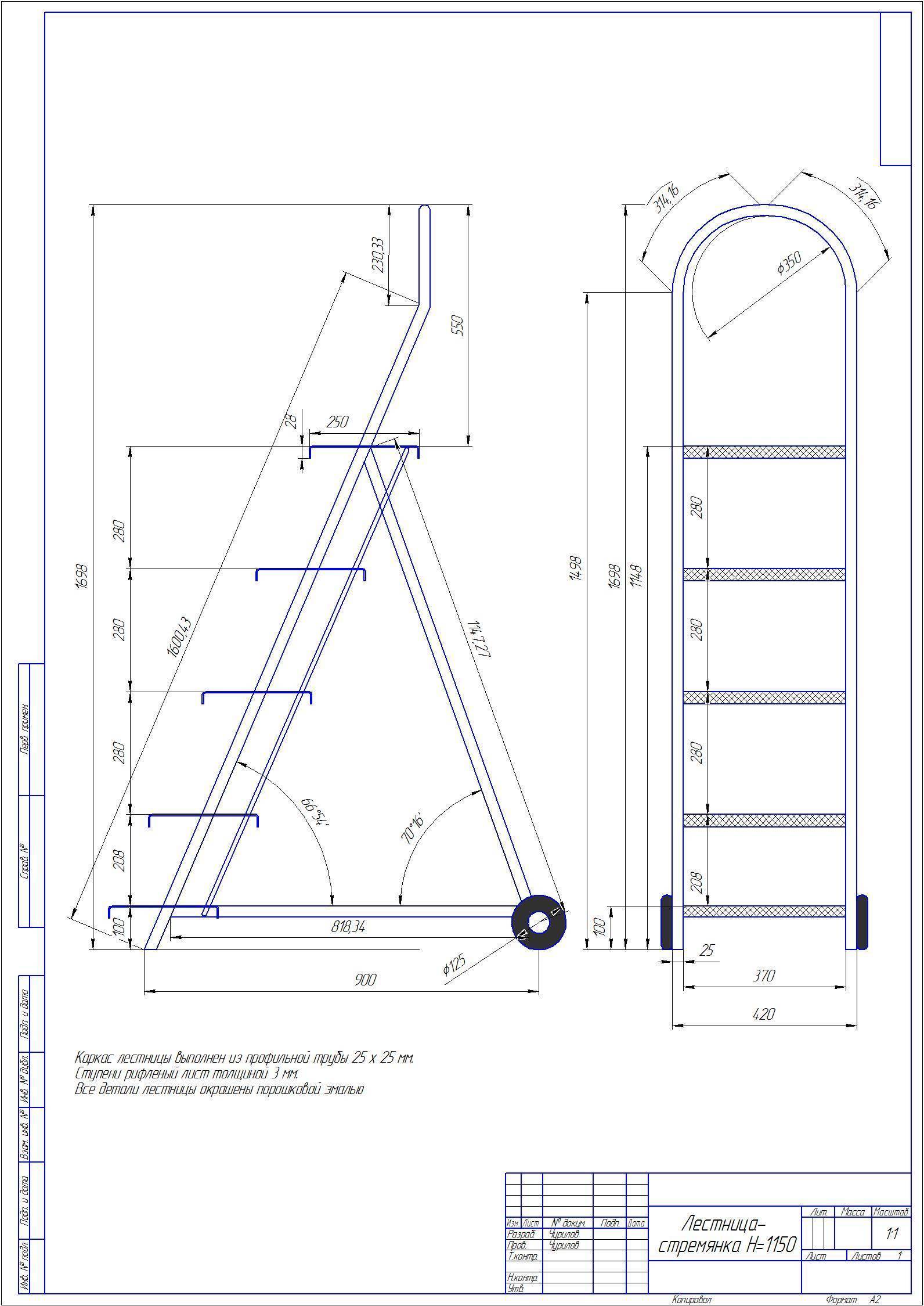
Изготовление стремянки своими руками поэтапно
Поскольку вполне очевидно, что металл имеет некоторые преимущества перед древесиной, рассмотрим, как изготовить стремянку из обычной стали.
Разумеется, крайне желательно иметь навыки работы со сварочным аппаратом. Также будем использовать и болтовое соединение. То есть у нас получится комбинированная сборка.
Для ног лестницы, то есть четырех ее опор, нам потребуются 4 трубы квадратного или прямоугольного профиля (более желателен последний вариант). Длина их должна быть одинаковой.
На одном конце каждой делаем сквозное перфорирование с идентичным для всех заготовок отступом от торца. Далее просто соединяем опоры попарно длинными болтами с короткой резьбовой нарезкой на конце. Такие крепежные элементы позволят свободно двигаться опорам по отношению друг к другу, как на шарнире.
Материал для изготовления стремянки
Укладываем сложенные пары опор параллельно и начинаем отмерять равные отрезки от нижней части внешних ног, делая разметку под будущие перекладины или ступеньки. Материал для них можно использовать любой: такой же профиль, арматуру, уголок. Крайне желательно выверять разметку с помощью угломера, чтобы ступени были строго под 90° к опорам.
Вымеряем ровные углы
Расчет лестницы должен быть максимально точным, чтобы не было перекосов.
Подключаем к электросети сварочный аппарат, если он у вас электрический, и вставляем в держак электрод, если же агрегат карбидный, то заправляем его и настраиваем горелку. Изготовление лестницы-стремянки своими руками лучше начинать с монтажа точечной сваркой. Сначала лучше крепить верхнюю и нижнюю перекладины, выверив при этом расстояние между опорами .
Крепим перекладину
Затем устанавливаются и фиксируются точками промежуточные элементы, согласно предварительно сделанной разметке. Когда конструкция собрана, убеждаемся в правильности соединения деталей и делаем сварочные швы.
Фиксируем ступеньки сваркой
Вторые две опоры тоже нужно соединить между собой, чтобы они не двигались по отдельности. Поэтому переворачиваем конструкцию, берем еще 2-3 обрезка того же материала, который пошел на перекладины или ступени, и навариваем на внутренние второстепенные стойки сверху, снизу и посередине.
Навариваем внутренние второстепенные стоики
Для прочности можно добавить еще одну деталь по диагонали между поперечинами. Крепим между секциями тросик со слабиной, достаточной для раздвигания опор на необходимое для устойчивости конструкции расстояние.
На этом изготовление лестницы-стремянки можно было бы завершить, если использовать ее только для дома. Однако на участке, где мало твердых покрытий, вроде асфальта или плитки, опоры будут легко проваливаться в грунт, особенно после дождя. Во избежание берем еще два обрезка профиля и навариваем снизу на торцы ножек, соединяя попарно внешние и внутренние лестничные ноги.
Изготавливаем торцы ножек
Однако в использовании трубы прямоугольного сечения есть одно неудобство – она может забиваться землей. Поэтому, чтобы не делать лишнюю работу, заваривая торцы профиля, лучше использовать уголок, особенно, если именно этот материал был пущен на ступени. Стремянка готова.
Готовая стремянка
Разновидности приставных лестниц
Раскладные модели занимают меньше места
По сути приставная лестница из дерева состоит из двух вертикальных стоек, на которых укреплены горизонтальные перекладины. Современные конструкции отличаются качествами и техническими характеристиками:
- простая;
- выдвижная;
- складная.
Универсальный подъемник каждый выбирает под себя исходя из направления использования.
Готовую лестницу можно приобрести в магазине. Чаще покупают алюминиевые изделия. Стоимость их высокая, поэтому есть смысл собрать лестницу собственноручно. Стальные и алюминиевые детали не применяют, используют древесину, которая стоит дешевле металла.
С увеличением высоты делают больше ступеней, односекционные схемы делают с учетом человеческой антропометрии, например, роста хозяина. Такие конструкции никогда не бывают винтовыми, только с прямым расположением опорных перекладин. Устройства могут стоять свободно, опираться на стену наклонно или вертикально, быть навесными.
Простая
Простая приставная лестница
Лестница нуждается в опоре для устойчивого стояния (стена, столб, ствол дерева). Есть простые однослойные трапы, которые навешивают на вертикальных ограждениях или, например, на коньке крыши, чтобы выполнять ремонт кровли. Есть строения, которые по высоте достигают 20 м, их используют в нестандартных ситуациях или при непредвиденных обстоятельствах, например, пожаре.
Простая разновидность предусматривает сборку лестницы без шарниров и выдвижных конструкций. Каркас состоит из двух вертикальных балок–прогонов (50 х 75 мм), на которых закрепляют поперечные деревянные пластины. Используют поперечные усиления для стягивания струн (балок). Поверхность ступенек делают рифленой или набивают продольные выступающие полосы.
Чертеж и расчет для такой лестницы можно не делать, т. к. строение относится к разряду элементарных. На вертикальных прогонах делают запилы на половину толщины бруса, в которые вставляют перекладины. Ступени прочно садятся в выемки так, чтобы их края были вровень с внешней частью.
Выдвижная
Внешний вид таких изделий напоминает стандартную конструкцию, но они отличаются тем, что их можно регулировать по высоте. Строение включает несколько выдвижных секций.
Выдвигают сегменты с помощью направляющих роликов, которые делают из стали. Ранее такие элементы применяли для выноса трапов на пожарных машинах, но сейчас устройства нашли применение в частном секторе.
Разновидности выдвижных конструкций:
- трансформеры;
- телескопические.
Высоту поднятия человека можно установить на необходимом уровне. Вместе с тем выдвижные лестницы мобильны, имеют небольшую массу. Недостаток в малой устойчивости лестницы, если она раскрыты на всю высоту.
Использование выдвижных лестниц относится к категории высотных работ с повышенной степенью опасности, поэтому к сборке предъявляют повышенные требования надежности.
Места креплений перекладин к тетиве обрабатывают антисептиками и противокоррозионными составами.
Складывающаяся
Раскладная деревянная переносная лестница
Складные варианты отличаются от прямых тем, что в них несколько секций скрепляются шарнирами, но не выдвигаются по высоте, а раскладываются. В собранном виде модели представляют собой компактный блок, в разобранном виде он становится высокой лестницей. Такие изделия часто закрепляют стационарно для поднятия на чердак. Хозяин тянет за выпуск лестницы, она раскладывается и превращается в удобный трап.
Складные изделия трудно проектировать так, чтобы все детали взаимодействовали безукоризненно. К стоимости древесины, стандартных стяжек и метизов добавляются подвижные металлические узлы сложного строения, которые имеют высокую цену. Раскладные модели требуют точной сборки и сложного монтажа.
К складным вариантам относят стремянки — это наиболее простые модели, для которых ставят дешевые стандартные шарниры.
Складные лестницы выполняют в виде лестницы с опорным каркасом на другой стороне либо в форме двойной лестницы с двух боков.
Надежность лестницы зависит от угла ее раскрытия, чем он больше, тем устойчивее конструкция.
Металлическая лестница

Необычный взгляд на приставную лестницу
К металлическим лестницам предъявляют схожие требования в отношении безопасности и самой конструкции. Чтобы сделать такое изделие своими руками вам понадобится один из таких видов материалов:
- уголки;
- трубы;
- профиля.
Перекладины могут крепиться несколькими способами. Самый надежный – развальцовка: металл проходит через металл, а края ступеней загибаются снаружи. Железные элементы можно сварить друг с другом. Еще один метод – использование крепежных болтов. Для большей надежности можно комбинировать разные методики. Существенный недостаток сварных железных конструкций – большой вес и риск разлома сварочного шва.
Как выбрать?
Чтобы правильно подобрать приставную лестницу для своих нужд, необходимо четко понимать, для каких целей она будет использоваться и где храниться, поскольку от этого будут зависеть ее габариты и тип. Для уличного использования на небольшую высоту лучше всего брать или делать простое неразборное сооружение, так как его будет, где хранить без необходимости занесения в помещение. В случае внутридомового использования тут пригодятся два оставшихся типа лестниц, которые будут занимать минимум места.

Современные покупные разновидности имеют резиновое основание на концах изделия, что не дает ему скользить по поверхности. Создавая такую лестницу самостоятельно, стоит также продумать этот момент
Важно обратить внимание и на прочность самой конструкции, тип крепежей и распорки для усиления. Если такие элементы присутствуют и не вызывают вопросов, значит, лестница будет служить долго и надежно, если же возникают какие-то сомнения, лучше подобрать что-то другое
Главными параметрами, на которые нужно обращать внимания при выборе приставной лестницы, являются следующие:
Главными параметрами, на которые нужно обращать внимания при выборе приставной лестницы, являются следующие:
- вес;
- высота;
- количество ступеней;
- материал;
- тип конструкции.

Проанализировав все критерии, можно достаточно быстро получить желаемый вариант оборудования.
Размеры
Длина лестницы должна быть такой, чтобы с ее помощью можно было сделать все необходимые задачи. Оптимальной считается высота в 2 метра, позволяющая без труда достать то, что недоступно без ее использования.

Для деревянной лестницы 4 метра будет максимально возможной длиной. Большие показатели значительно увеличат риск травмирования при ее использовании.
Если говорить о раскладном или выдвижном деревянном оборудовании, то в разобранном виде показатели также не должны превышать 4 м, чтобы не было риска поломки конструкции во время проведения работ. В случае металлической основы, длина лестницы может быть длиннее, 5 м будет нормальным вариантом для выдвижных домашних изделий. Специальное оборудование может быть более длинным, раскладываясь до 6–9 м, а в отдельных случаях и до 12 м, как у пожарников. Ширина должна быть такой, чтобы позволить быстро и без проблем добраться снизу до верхней точки. Нижние показатели колеблются от 70 до 80 см, верхние от 30 до 40 см.

Материал основы
Основа для приставной лестницы может быть различной. Стоит выделить такие основные варианты, как:
деревянная – самый распространенный вариант;



Первый вариант наиболее популярен ввиду доступности материала, легкости и возможности создания конструкции своими руками. Дереву нужен правильный уход и обработка защитным средством, иначе материал начнет рассыхаться и трескаться. Металлическая разновидность более тяжелая и дорогостоящая, но отличается высокими характеристиками прочности и надежности. Железная лестница должна быть обработана средствами от коррозии, чтобы срок ее эксплуатации был максимально длительным. Сделать такое оборудование самостоятельно сложнее, ведь необходимо иметь дело со сварочным аппаратом.
Количество секций и ступеней
В зависимости от высоты лестницы количество ступеней на ней будет отличаться. Чтобы правильно рассчитать шаг, стоит обратиться к требованиям ГОСТа, где четко расписаны основные требования. Односекционная конструкция сооружается с учетом СНиП и антропометрическими особенностями человека. Зачастую расстояние между ступеньками равняется 35 см, но может быть отклонение в ту или иную сторону в пределах 5–7 см. Если изделие создается с широкими ступенями, то можно сделать шаг чуть больше, увеличив его до 40–45 см, но только в случае высокого роста того, кто будет пользоваться этим оборудованием. Для правильных расчетов стоит учитывать еще и наклон лестницы, который обычно составляет от 60 до 80 градусов. Учитывая все факторы, можно подобрать оптимальные показатели ширины ступеней.


Количество секций будет зависеть от высоты, на которой необходимо работать. Если она не превышает 2 м, то это будет односекционная конструкция. Если же нужно взбираться на 2–4 метра, тогда нужно сделать 2 секции по 2 метра каждая. Чем выше нужно будет подниматься, тем больше выдвижных деталей будет у изделия.
Производители
Ввиду частой необходимости использования приставных изделий, популярность на них существенно возросла, чем не могли не воспользоваться производители. Наиболее известными среди них можно считать следующие:













Каждый бренд имеет свои особенности и определенную специализацию. В зависимости от запросов можно подобрать качественное и не слишком дорогое изделие от надежного производителя.
Металлические приставные лестницы своими руками

Такие лестницы можно купить. Особенно привлекательны алюминиевые изделия. Однако многих хозяев это решение проблемы не устраивает по нескольким причинам. Это:
- Цена, которая никак не соответствует себестоимости такой простейшей конструкции. Зачем тратить приличные деньги на то, что можно сделать самостоятельно?
- «Чудесное» качество покупных изделий. Очень часто встречаются нелестные отзывы, касающиеся недолговечности легкого металлического «новодела».
Говорят, что сейчас покупные лестницы из алюминия не выдерживают никакой критики. Их «научились» делать так, что изделия (все их элементы) начинают деформироваться после года эксплуатации, или даже раньше.
Материалы, инструменты

Для создания максимально надежной конструкции мастеру потребуется приобрести профильную трубу: для стоек (20х40 мм) и для ступенек — круглую (30 мм). Еще нужно будет подготовить:
- болгарку, мощную дрель (900 Вт минимум);
- специальную коронку по металлу (30 мм);
- диски — шлифовальный, проволочный;
- растворитель: ацетон, Уайт-спирит:
- грунтовку: аэрозоль для металла;
- автокраску: акриловую, алкидную;
- маркер, рулетку;
- молоток.
Последнее и главное оборудование — сварочный аппарат. Еще будет необходима крепкая веревка, или пластиковые стяжки для временной фиксации элементов перед сваркой.
Изготовление металлической конструкции

Процесс «созидания» металлической приставной лестницы проходит по такому сценарию:
- Сначала размечают стойки. Два профиля прямоугольного сечения укладывают на ровную поверхность вплотную. Элементы выравнивают по нижнему краю, затем размечают маркером сразу оба профиля.
- Делают заготовки. Их режут болгаркой так, чтобы разрезы получились идеально прямыми, без малейших перекосов. Опоры снова укладывают вплотную, затем на них, опять одновременно, размечают места для монтажа ступеней. Точно контролируют шаг между ними.
- Метка должна находиться в центре круглых перекладин. Потом ее переносят в середину полки, отмеряя 20 мм от края. Однако следят, чтобы обе трубы были выровнены по краю. В найденных точках «ставят жирный крест», который должен быть хорошо виден.
- Коронку фиксируют на дрели. Инструмент располагают таким образом, чтобы сверло находилось точно на крестике. После прохождения металла инструмент убирают. Иначе легко повредить противоположную сторону профиля. Аналогично делают остальные отверстия.
- Переходят к разметке труб для заготовок-перекладин. Потом профили надежно фиксируют и разрезают, избегая любых перекосов торцов. Готовые элементы шлифуют. Любой заусенец может не дать ступеньке поместиться в отверстие на стойке.
- Приступают к монтажу ступеней. Первую тетиву укладывают на пол отверстиями вверх, затем по всей длине вставляют отрезки труб. На их установленные торцы надевают вторую стойку. Для этой операции, скорее всего, потребуется ассистент.
- Для фиксации лестницы для сварки используют отрезку веревки или пластиковые стяжки. Затем все ступеньки приваривают к тетивам-профилям. Следят не за красотой, а за качеством шва. Чем он прочнее, тем надежнее получится лестница.

Завершающие штрихи
Окалину сбивают молотком, затем полуфабрикат аккуратно шлифуют. Необходимо контролировать силу, так как излишнее рвение только ослабит сварное соединение.
Чтобы избавить поверхности от любых несовершенств, шлифовку завершают проволочным диском. Последние этапы работ — обезжиривание растворителем, обработка поверхностей грунтовкой и покраска с помощью баллончика (2-3 слоя).

Деревянные приставные лестницы своими руками — операции, не требующие сварочного оборудования, поэтому они более популярны. Если мастер со сваркой знаком хорошо, то лучше сделать супернадежную металлическую конструкцию, которой не страшны любые «нечеловеческие» условия.
Чтобы познакомиться со всеми этапами изготовления более популярной и максимально простой деревянной «помощницы», не будет лишним взглянуть на это видеопособие:
Инструкция по изготовлению входной лестницы
Конструкция будет размещена на улице и подвергаться негативным климатическим воздействиям, а потому надо использовать все возможные мероприятия по увеличению срока ее эксплуатации. Для производства работ нужна циркулярная переносная пила, шуруповерт и измерительные инструменты.
Инструменты для работы
Именно здесь впитывается больше всего вода, и проникает она очень глубоко. Дело в том, что после высыхания пиломатериалы не впитывают воду в клетки, а только в межклеточное пространство, при этом все поры расположены именно на торце. Пропитанную доску после распиловки на детали надо опять обрабатывать антисептиком по торцам, в противном случае эффект от неполной защиты будет минимальным.
Правила обработки деревянной лестницы
Шаг 1. Замерьте высоту лестницы. Для того чтобы по лестнице было удобно ходить, шаг ступени должен быть в пределах 15–20 см. У нас высота лестницы 90 см, лучше делать 6 ступенек по 15 см. Если целое число не получается, то надо высоту первой изменять и подгонять под общие параметры. Оптимальная глубина ступени 27 см.
Работу начинают с замера высоты
Шаг 2. Сделайте на доске размету клиньев для упора ступенек лестницы. Дело в том, что наша конструкция будет временной, сделать лестницу надо быстро и с минимальной потерей материалов и времени. На доске 150×50 мм размечайте треугольники, один катет длиной 15 см, второй 27 см. Разметку выполняйте при помощи строительного угольника. Таких деталей понадобится 12 шт. — по две на каждую ступеньку.
Делают разметку клиньев на доске
Шаг 3. Напилите треугольники, первый используйте в качестве шаблона.
Используя первую заготовку в качестве шаблона, нарезают остальные клинья
Шаг 4. Прикрутите упорные треугольники на тетиву. Перед этим не забудьте пропитать свежие срезанные плоскости доски. Для фиксации используйте длинные саморезы или гвозди, оба вида метизов отлично держат нагрузку на лестнице.
Полученные клинья прикручивают саморезами к ребру доски
Ша 5. Подгоните низ тетивы для упора о землю. Сделать это просто. Надо помнить, что все ступеньки должны располагаться строго в горизонтальной плоскости, такое же положение должен иметь и срез. Делайте его параллельным ступенькам, тогда он лежит на земле всей плоскостью, а ступеньки будут горизонтальными.
Намечают срез в нижней части тетивы
Шаг 6. Отмерьте место отрезания верхней части тетивы. Здесь алгоритм действий иной. Срез должен быть параллельным не к ступеньке, а к подступенку. Нарисуйте линию и отрежьте доску с учетом этого правила.
Намечают линию среза в верхней части тетивы
Шаг 7. Закрепите тетивы на объекте, расстояние между ними не менее 80 см. Напилите доски для ступенек и прибейте их к упорам. Простейшая лестница готова.
Прикручивают тетивы к основанию и набивают ступеньки
Это очень прочная конструкция, а для ее изготовления требуется минимум времени. Непродуктивными потерями можно считать только 12 шт. небольших угольников, весь остальной пиломатериал поле демонтажа конструкции можно использовать на строительстве дома.
Требования ГОСТа к деревянным приставным лестницам
Зачастую для приставной лестницы люди считают достаточным сцепление пары брусьев более короткими, что необратимо ведёт к травмам и неприятностям. Свойства по эксплуатации могут проявляться в очень разных моментах, в связи с чем советуется, не подвергая риску, себя и близких, придерживаться общепринятых руководств и правил. Все самые важные аспекты изготовления и пользования приставными деревянными лестницами записаны в нескольких нормативных бумагах, с которыми можно ознакомиться и принять в сведение ниже.
- ГОСТ 24258 – 88: Технические условия на средства подмащивания и временные конструкции.
- ПОТ РМ-012-2000: Правила по охране труда при высотных работах (межотраслевой документ).
- СНиП 12 – 03 – 2001: Охрана труда в строительстве. Общие положения (часть 1).
- ГОСТ 26887-86: Лестницы и площадки, используемые для монтажных и строительных работ.
Чтобы деревянные лестницы были безопасны и долговечны, они должны быть изготовлены по ГОСТу
Верх конструкции также нужно оснастить бездвижными или съёмными крючками, для большей фиксации. Расстояние от бруса до бруса должно варьироваться от 290 до 350 мм. Сечения каждого из брусьев не меньше 40х20. Диаметр скрепляющих болтов для длинных брусьев должен превышать 2 мм.
Данные болты необходимо устанавливать под первой и последней ступенью, и по длине всей конструкции на расстоянии, не превышающем двух метров.
Кроме того, стоит знать, что имеющиеся трещины и другого рода повреждения допускаются, однако наибольший размер порока не должен превышать 15 см, а глубина 5 мм. Имеющиеся трещины, отрицательным образом сказывающиеся на пользуемые характеристики лестницы, строгим образом воспрещаются. При использовании изделия на производстве, на неё требуется нанести номер инвентаря и участковый номер места, на котором лестница закреплена.
Рекомендуется проводить проверку за контролем целостности изделия и прочности всей конструкции раз в шесть месяцев.
Купи и собери
Цены на готовые заводские модели лестниц доступны и позволить себе приобрести простую в несколько маршей конструкцию сможет любая среднестатистическая семья. А собрать своими руками готовый вариант проще. К каждой модели прилагается подробная инструкция по монтажу и все крепежные элементы.
Цена на готовые модели от самых известных производителей в различных городах России представлена в таблице:
| Город | Производитель | Цена на различные типовые модели, руб. | ||
| Простая | В несколько пролетов | Винтовая | ||
| Москва | ООО «Наша Лестница» | От 25 000 | От 45 000 | От 64 000 |
| СПб | ООО «Верно Лестница» | От 22 000 | От 44 000 | От 60 000 |
| Ростов-на-Дону | ООО «Лестница Ростов» | От 20 000 | От 39 000 | От 70 000 |
| Уфа | Фабрика лестниц «Столярыч» | От 22 000 | От 37 000 | От 67 000 |
| Казань | ООО “Профи Групп» | От 25 000 | От 44 000 | От 63 000 |
Насколько разнообразны лестницы из бруса можно увидеть на видео:
Цена на брусовые лестницы зависит от качества материала, его размеров и вида. Самые дорогие модели из клееного бруса, но по качеству и долговечности конструкции выигрывают у остальных. Недорогой вариант — березовая лестница. Но березовая древесина недолговечна и боится влаги, поэтому приобретать этот вариант не советуем.







































